GM Service Manual Online
For 1990-2009 cars only
Makes
🢒
Chevrolet
🢒
2000
🢒
Venture
🢒 Hardwire Indicators
Hardwire Indicators
Hardwire Indicators
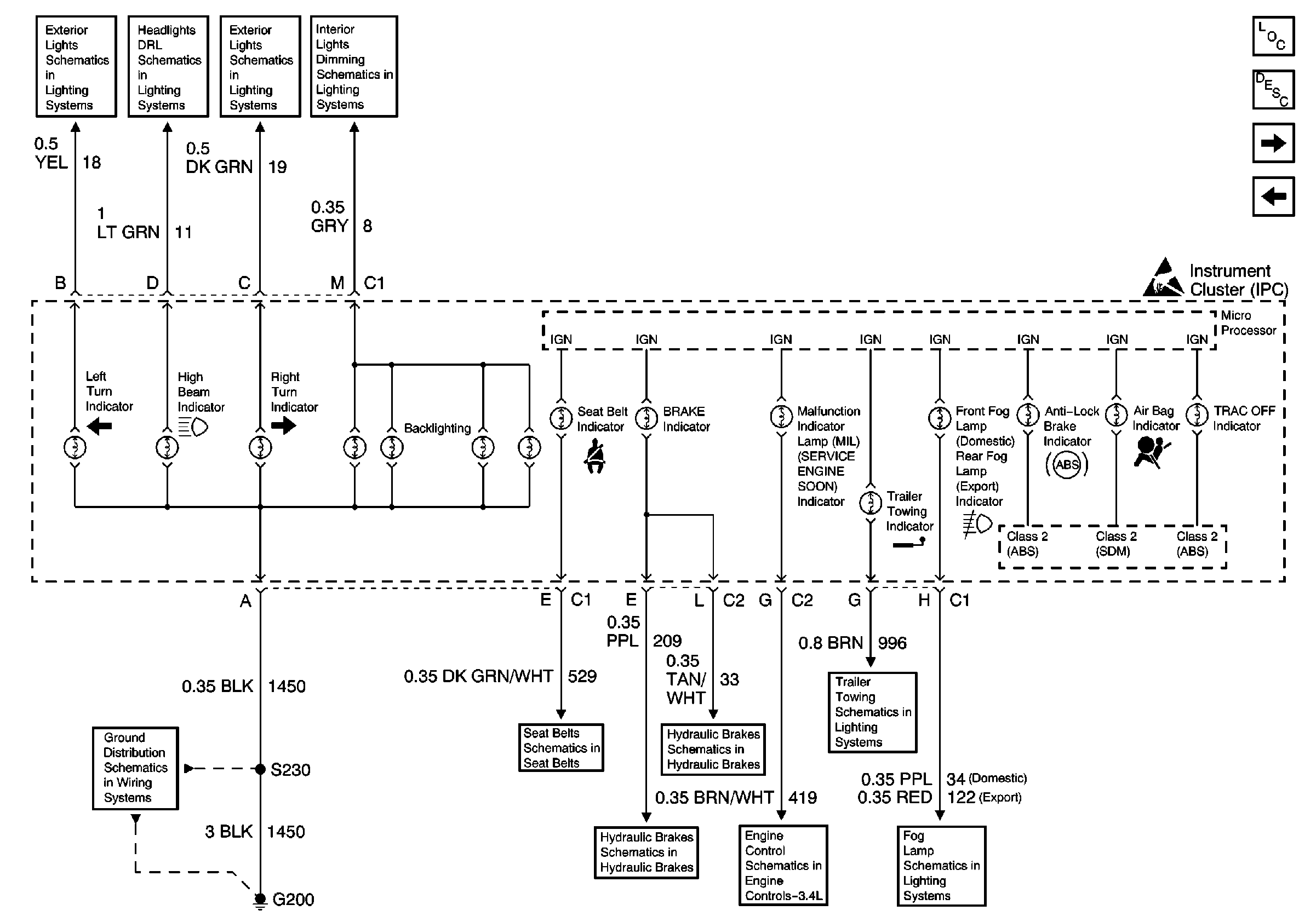
Instrument Cluster Components
Instrument Cluster Operation
Class 2 Telltales
Power, Ground, Class 2 Data Line, Gauges
Handling ESD Sensitive Parts Notice
Fog Lights Schematics (Foglights) Cell 103)
Cell 110: Hazard Lamp/Turn Signal Flasher, Turn Signal Switch-Export
Power, Ground, MIL, DLC
00 U-Van Hydraulic Brakes Schematic, Brake Warning Syste
00 U-Van Hydraulic Brakes Schematic, Brake Warning Syste
00 U-Van Seat Belts Schematics
Cell 14: G200
Interior Lights Dimming Schematics (Cell 117: Headlamp and IP Lamp Dimmer Switch, Driver Information Display)
Hazard Lamp/Turn Signal Flasher, Turn Signal Switch
Headlights Schematics (Cell 100: Headlamp and IP Lamp Dimmer Switch)
Hazard Lamp/Turn Signal Flasher, Turn Signal Switch