GM Service Manual Online
For 1990-2009 cars only
Makes
🢒
Chevrolet
🢒
2000
🢒
Venture
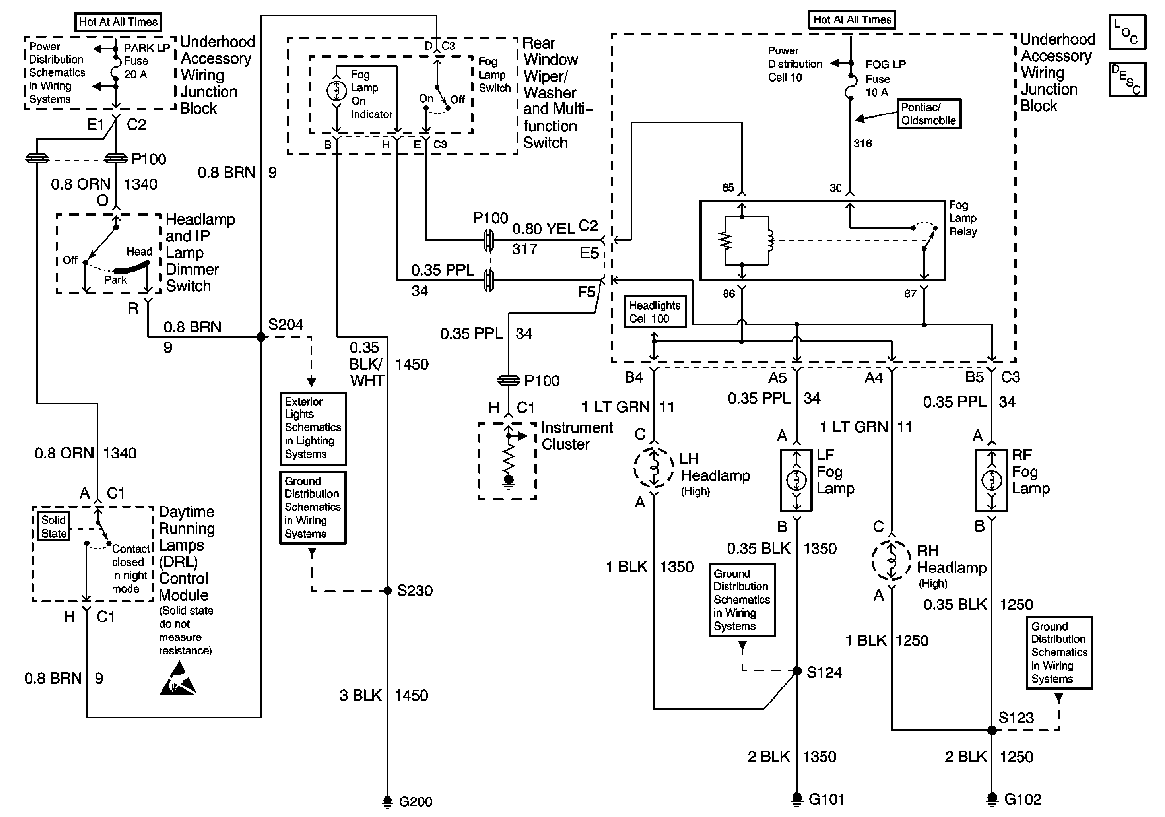
🢒 Fog Lights Schematics (Foglights) Cell 103)
Fog Lights Schematics (Foglights) Cell 103)
Fog Lights Schematics (Foglights) Cell 103)
EBCM, BATT Main 1 and Radio Fuses
Handling ESD Sensitive Parts Notice
Headlights Schematics (Cell 100: Headlamp and IP Lamp Dimmer Switch)
Cell 14: G200
Cell 14: G101 and G102
Underhood Accessory Wiring Junction Block
Headlights Schematics (Cell 100: Headlamps)
Cell 14: G101 and G102
Lighting Systems Components
Fog Lights Circuit Description