GM Service Manual Online
For 1990-2009 cars only
Figure 1:

Cell 114: Door Locks, Sliding Door Jamb Switches, Liftgate Door Lock


Object Number: 478221  Size: FS
Power Distribution Schematics
Fuse Block Schematics
Fuse Block Schematics
Power Distribution Schematics
Power Distribution Schematics
Cell 114: Interior Lamp and Multi Function Switch, Vanity Mirror
Interior Lights Circuit Description
Lighting Systems Components
Ground Distribution Schematics
Ground Distribution Schematics
Ground Distribution Schematics
Figure 2:

Cell 114: Interior Lamp and Multi Function Switch, Vanity Mirror


Object Number: 478224  Size: FS
Interior Lights Circuit Description
Lighting Systems Components
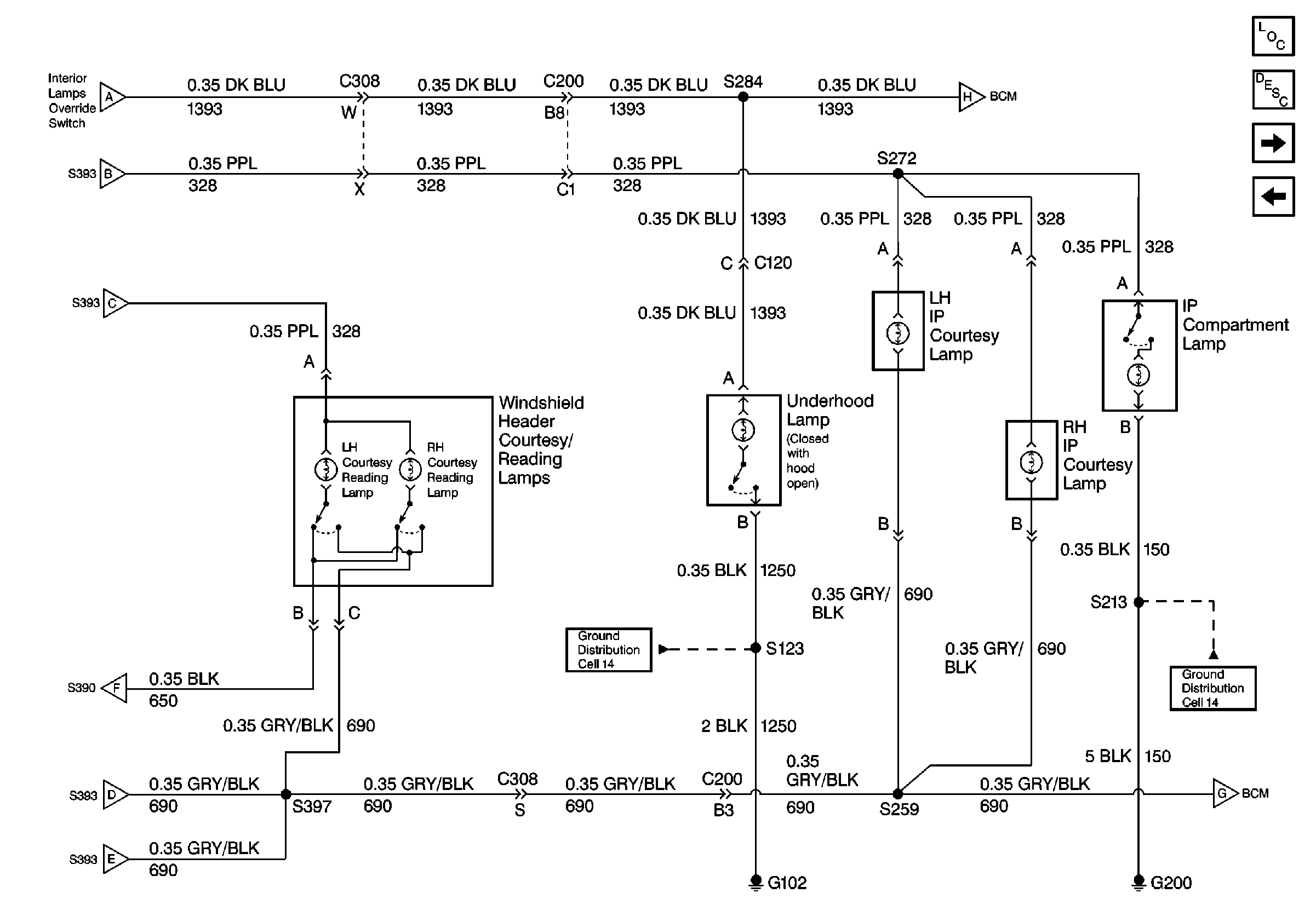
Cell 114: Underhood Lamp, Courtesy Reading Lamps
Cell 114: Door Locks, Sliding Door Jamb Switches, Liftgate Door Lock
Ground Distribution Schematics
Cell 114: Underhood Lamp, Courtesy Reading Lamps
Cell 114: Underhood Lamp, Courtesy Reading Lamps
Cell 114: Underhood Lamp, Courtesy Reading Lamps
Cell 114: Underhood Lamp, Courtesy Reading Lamps
Figure 3:

Cell 114: Underhood Lamp, Courtesy Reading Lamps


Object Number: 478226  Size: FS
Ground Distribution Schematics
Ground Distribution Schematics
Cell 114: Headlamp and Instrument Panel Dimmer Switch
Cell 114: Interior Lamp and Multi Function Switch, Vanity Mirror
Interior Lights Dimming Circuit Description
Lighting Systems Components
Cell 114: Headlamp and Instrument Panel Dimmer Switch
Cell 114: Headlamp and Instrument Panel Dimmer Switch
Cell 114: Interior Lamp and Multi Function Switch, Vanity Mirror
Cell 114: Interior Lamp and Multi Function Switch, Vanity Mirror
Cell 114: Interior Lamp and Multi Function Switch, Vanity Mirror
Cell 114: Interior Lamp and Multi Function Switch, Vanity Mirror
Cell 114: Interior Lamp and Multi Function Switch, Vanity Mirror
Cell 114: Interior Lamp and Multi Function Switch, Vanity Mirror
Figure 4:

Cell 114: Headlamp and Instrument Panel Dimmer Switch


Object Number: 478227  Size: FS
Cell 114: Underhood Lamp, Courtesy Reading Lamps
Interior Lights Dimming Circuit Description
Lighting Systems Components
Ground Distribution Schematics
Cell 114: Underhood Lamp, Courtesy Reading Lamps
Cell 114: Underhood Lamp, Courtesy Reading Lamps