GM Service Manual Online
For 1990-2009 cars only
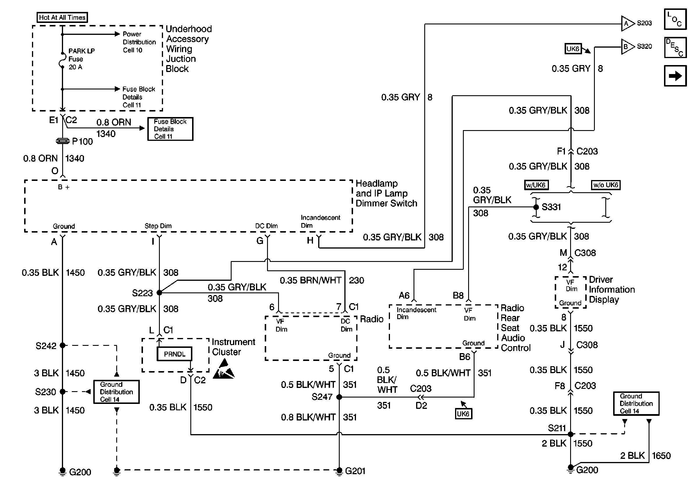
Figure 1:

Cell 114: Cell 117: Headlamp and Instrument Panel Dimmer Switch


Object Number: 478228  Size: FS
Power Distribution Schematics
Fuse Block Schematics
Ground Distribution Schematics
Ground Distribution Schematics
Handling ESD Sensitive Parts Notice
Fuse Block Schematics
Lighting Systems Components
Interior Lights Dimming Circuit Description
Cell 117: Heater and A/C Control, Radio Switches
Cell 117: Heater and A/C Control, Radio Switches
Cell 117: Rear Window Wiper/Washer and Multifunction Switch
Figure 2:

Cell 117: Heater and A/C Control, Radio Switches


Object Number: 478230  Size: FS
Lighting Systems Components
Interior Lights Dimming Circuit Description
Cell 114: Cell 117: Headlamp and Instrument Panel Dimmer Switch
Cell 117: Rear Window Wiper/Washer and Multifunction Switch
Handling ESD Sensitive Parts Notice
Handling ESD Sensitive Parts Notice
SIR Handling Caution
Ground Distribution Schematics
Ground Distribution Schematics
Cell 114: Cell 117: Headlamp and Instrument Panel Dimmer Switch
Cell 117: Rear Window Wiper/Washer and Multifunction Switch
Figure 3:

Cell 117: Rear Window Wiper/Washer and Multifunction Switch


Object Number: 478233  Size: FS
Lighting Systems Components
Interior Lights Dimming Circuit Description
Cell 117: 98 U Van Interior Lamps and Multifunction Switch, Right Rear Door Latch
Cell 117: Heater and A/C Control, Radio Switches
Ground Distribution Schematics
Ground Distribution Schematics
Ground Distribution Schematics
Ground Distribution Schematics
Cell 117: Heater and A/C Control, Radio Switches
Cell 117: Heater and A/C Control, Radio Switches
Cell 117: Heater and A/C Control, Radio Switches
Cell 117: Heater and A/C Control, Radio Switches
Cell 114: Cell 117: Headlamp and Instrument Panel Dimmer Switch
Cell 117: 98 U Van Interior Lamps and Multifunction Switch, Right Rear Door Latch
Figure 4:

Cell 117: 98 U Van Interior Lamps and Multifunction Switch, Right Rear Door Latch


Object Number: 478236  Size: FS
Ground Distribution Schematics
Ground Distribution Schematics
Lighting Systems Components
Interior Lights Dimming Circuit Description
Cell 117: Rear Window Wiper/Washer and Multifunction Switch
Cell 117: Rear Window Wiper/Washer and Multifunction Switch