GM Service Manual Online
For 1990-2009 cars only
Makes
🢒
Chevrolet
🢒
1998
🢒
Venture Ext.
🢒
Body and Accessories
🢒
Roof
🢒 Sunroof Schematics
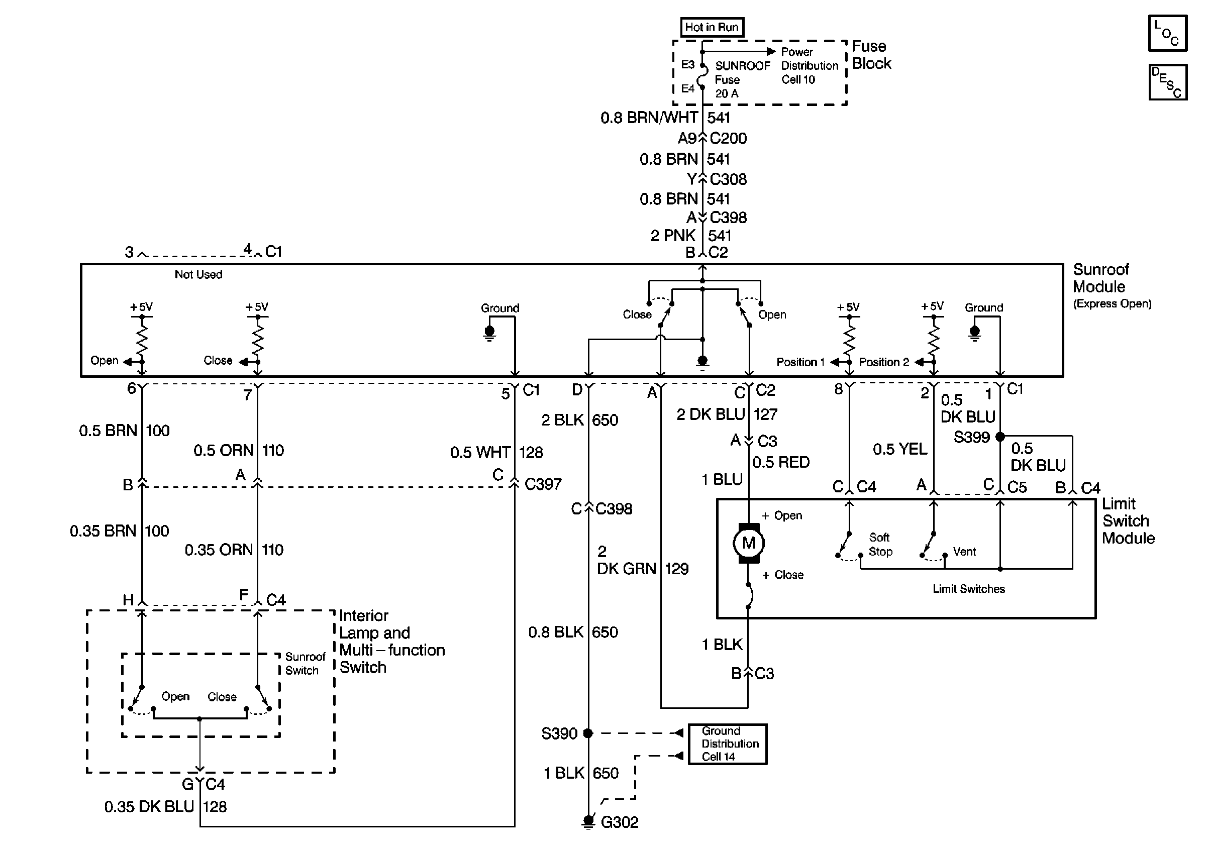
Power Sunroof Schematics
Power Distribution Schematics
Power Roof Systems Components
Power Sunroof Circuit Description
Ground Distribution Schematics