GM Service Manual Online
For 1990-2009 cars only
Makes
🢒
Chevrolet
🢒
1999
🢒
Venture Ext.
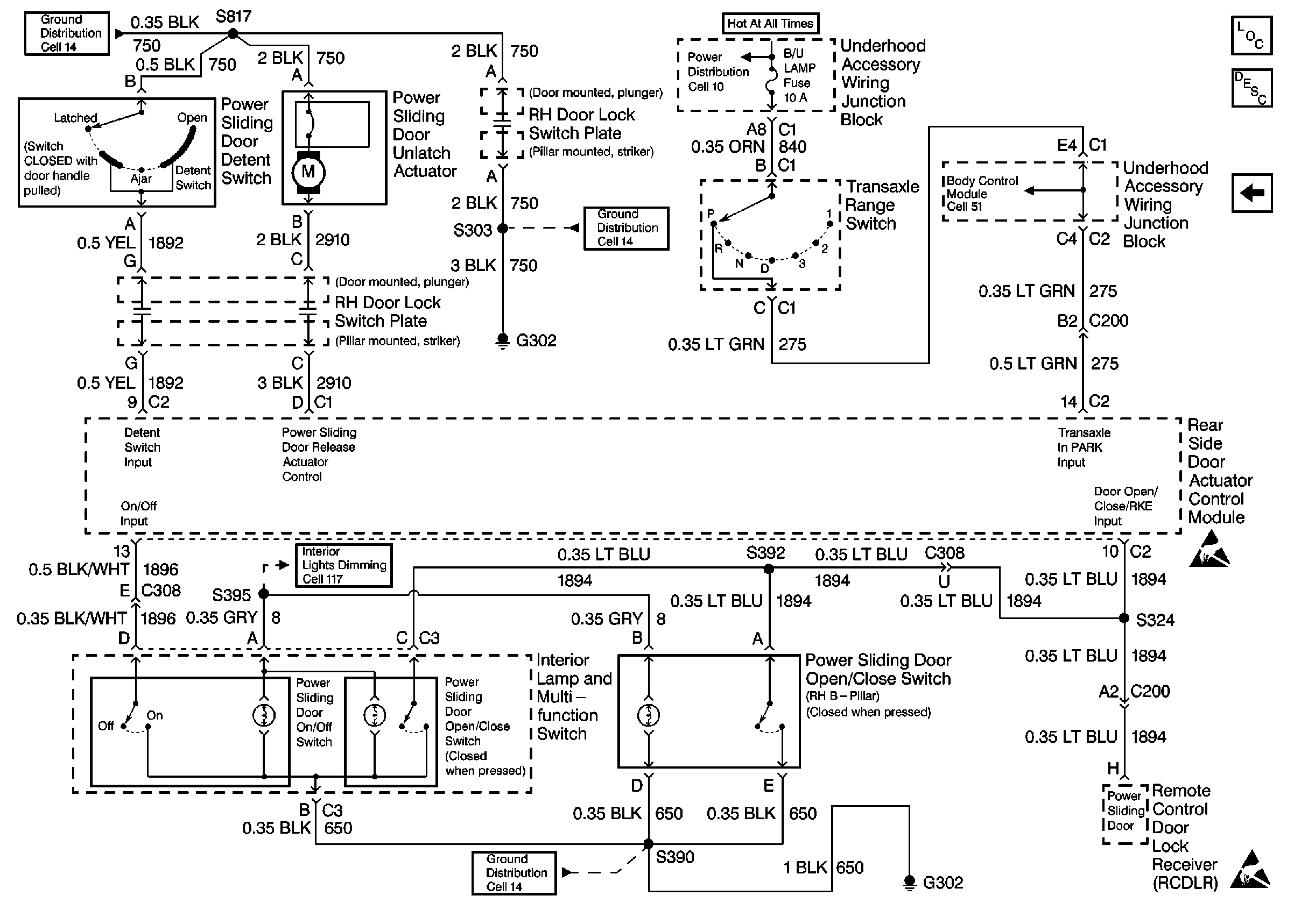
🢒 PSD Module Control Switches
PSD Module Control Switches
PSD Module Control Switches
Power Door Systems Components
Power Sliding Door (PSD) Circuit Description
PSD Module
Handling ESD Sensitive Parts Notice
Handling ESD Sensitive Parts Notice
Cell 51: BCM: Ignition Input, Door Locks, Exterior Lamps Output
Cell 10: Underhood Accessory Wiring Junction Block
Cell 14: G302
Cell 117: Interior Lamp and Multifunction Switch, Right Rear Door Latch, Release Actuator Switch
Cell 14: G302
Cell 14: G302