GM Service Manual Online
For 1990-2009 cars only
Makes
🢒
Chevrolet
🢒
1999
🢒
Venture Ext.
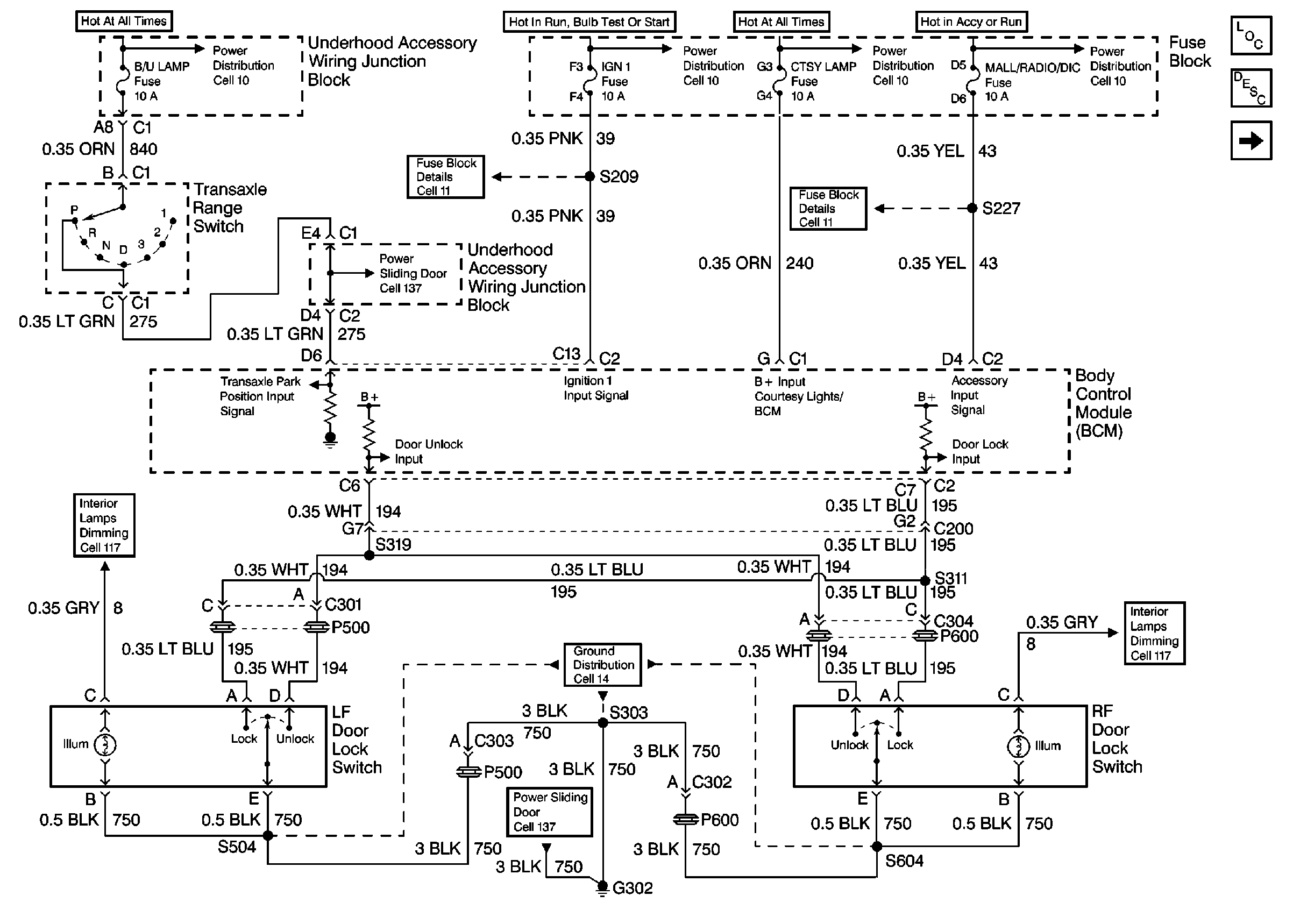
🢒 Door Lock Power Distribution
Door Lock Power Distribution
Door Lock Power Distribution
Power Door Systems Components
Automatic Door Lock Circuit Description
Door Locks with Liftgate Lock
Cell 10: Underhood Accessory Wiring Junction Block
Cell 10: Ignition Switch, Transaxle Range Switch
Cell 10: EBCM, EBTCM, Battery
Cell 10: Ignition Switch
PSD Module Control Switches
Cell 11: Cruise, SIR and T/SIG Fuses
Cell 11: BCM PRGRM, FRT WPR/WSHR, MALL/Radio/DIC, RR WPR/WSHR and SWCACCY Fuses
Cell 117: Rear Window Wiper/Washer and Multifunction Switch, Window Switches, Door Lock Switches
Cell 117: Rear Window Wiper/Washer and Multifunction Switch, Window Switches, Door Lock Switches
Cell 14: G302
PSD Module Control Switches