GM Service Manual Online
For 1990-2009 cars only

Headlights Schematics Domestic

Figure 1:

Headlights Schematics (Cell 100: Park Brake Indictor Switch, DRL Ambient Light Sensor)


Object Number: 607741  Size: FS
00 U-Van Hydraulic Brakes Schematic, Brake Warning Syste
Cell 14: G200
HVAC/DIC/DRL/Heated Seat, HVAC Blower and RR HVAC/TEMP CONT Fuses
Hazard Lamp/Turn Signal Flasher, Turn Signal Switch
Cell 14: G101 and G102
Ignition Switch IGN Main Relay, IGN Main 1, PCM/ABS, CONVENT SOL, DRL, and PCM/Crank Fuses
HVAC/DIC/DRL/Heated Seat, HVAC Blower and RR HVAC/TEMP CONT Fuses
Lighting Systems Components
Headlights Circuit Description Domestic
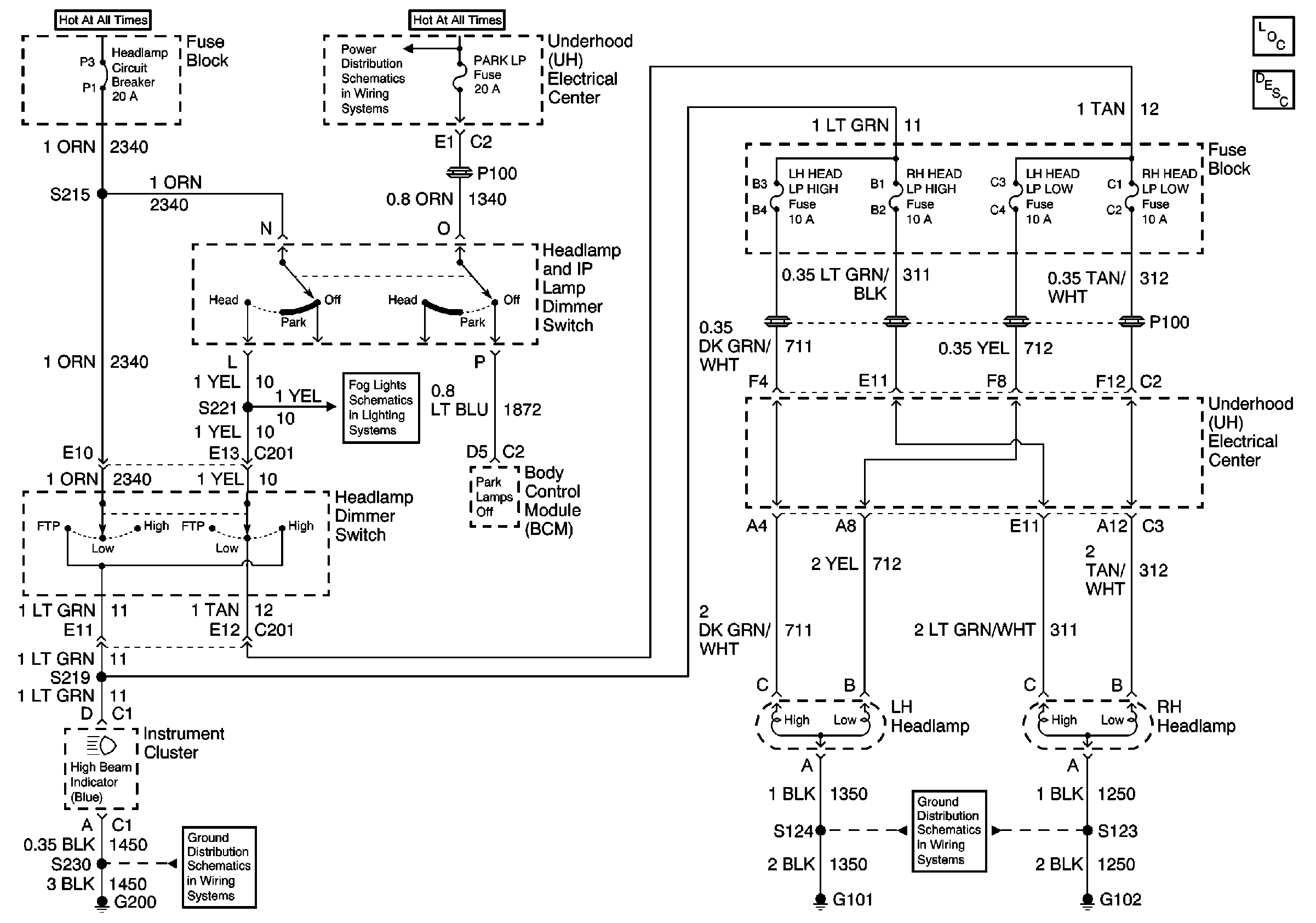
Headlights Schematics (Cell 100: Headlamp and IP Lamp Dimmer Switch)
Figure 2:

Headlights Schematics (Cell 100: Headlamp and IP Lamp Dimmer Switch)


Object Number: 607745  Size: FS
EBCM, BATT Main 1 and Radio Fuses
Cell 110: License Lamps, Relay Center
Fog Lights Schematics (Foglights) Cell 103)
Handling ESD Sensitive Parts Notice
Lighting Systems Components
Headlights Circuit Description Domestic
Headlights Schematics (Cell 100: Headlamps)
Headlights Schematics (Cell 100: Park Brake Indictor Switch, DRL Ambient Light Sensor)
Headlights Schematics (Cell 100: Headlamps)
Headlights Schematics (Cell 100: Headlamps)
Figure 3:

Headlights Schematics (Cell 100: Headlamps)


Object Number: 607722  Size: FS
Handling ESD Sensitive Parts Notice
Hardwire Indicators
Cell 14: G200
Headlights Schematics (Cell 100: Headlamp and IP Lamp Dimmer Switch)
Headlights Schematics (Cell 100: Headlamp and IP Lamp Dimmer Switch)
Cell 14: G101 and G102
Lighting Systems Components
Headlights Circuit Description Domestic
Headlights Schematics (Cell 100: Headlamp and IP Lamp Dimmer Switch)

Headlights Schematics Export

Headlights Schematics (Headlights-Export)


Object Number: 607725  Size: FS
EBCM, BATT Main 1 and Radio Fuses
Fog Lights Schematics (Rear Fog Lights-Export 1of 2)
Cell 14: G200
Lighting Systems Components
Headlights Circuit Description Export
Cell 14: G101 and G102

Headlights Schematics Export w/DRL

Figure 1:

Headlights Schematics (Daytime Running Lights-Export 1 of 3)


Object Number: 607726  Size: FS
HVAC/DIC/DRL/Heated Seat, HVAC Blower and RR HVAC/TEMP CONT Fuses
EBCM, BATT Main 1 and Radio Fuses
Headlights Schematics (Daytime Running Lights-Export 2 of 3)
Headlights Schematics (Daytime Running Lights-Export 2 of 3)
Headlights Schematics (Daytime Running Lights-Export 3 of 3)
Headlights Schematics (Daytime Running Lights-Export 3 of 3)
Headlights Schematics (Daytime Running Lights-Export 2 of 3)
Cell 110: License Lamps, Relay Center
Headlights Schematics (Daytime Running Lights-Export 2 of 3)
Headlights Schematics (Daytime Running Lights-Export 2 of 3)
Headlights Schematics (Daytime Running Lights-Export 2 of 3)
Headlights Schematics (Daytime Running Lights-Export 2 of 3)
Cell 14: G200
Lighting Systems Components
Headlights Circuit Description Export
Headlights Schematics (Daytime Running Lights-Export 2 of 3)
Fog Lights Schematics (Rear Fog Lights-Export 1of 2)
Figure 2:

Headlights Schematics (Daytime Running Lights-Export 2 of 3)


Object Number: 607727  Size: FS
Headlights Schematics (Daytime Running Lights-Export 1 of 3)
Headlights Schematics (Daytime Running Lights-Export 1 of 3)
Headlights Schematics (Daytime Running Lights-Export 1 of 3)
Lighting Systems Components
Headlights Circuit Description Export
Headlights Schematics (Daytime Running Lights-Export 3 of 3)
Headlights Schematics (Daytime Running Lights-Export 1 of 3)
Figure 3:

Headlights Schematics (Daytime Running Lights-Export 3 of 3)


Object Number: 607728  Size: FS
Headlights Schematics (Daytime Running Lights-Export 1 of 3)
Headlights Schematics (Daytime Running Lights-Export 1 of 3)
Lighting Systems Components
Headlights Circuit Description Export
Headlights Schematics (Daytime Running Lights-Export 2 of 3)
Cell 14: G101 and G102