GM Service Manual Online
For 1990-2009 cars only
Makes
🢒
Chevrolet
🢒
2000
🢒
Venture Ext.
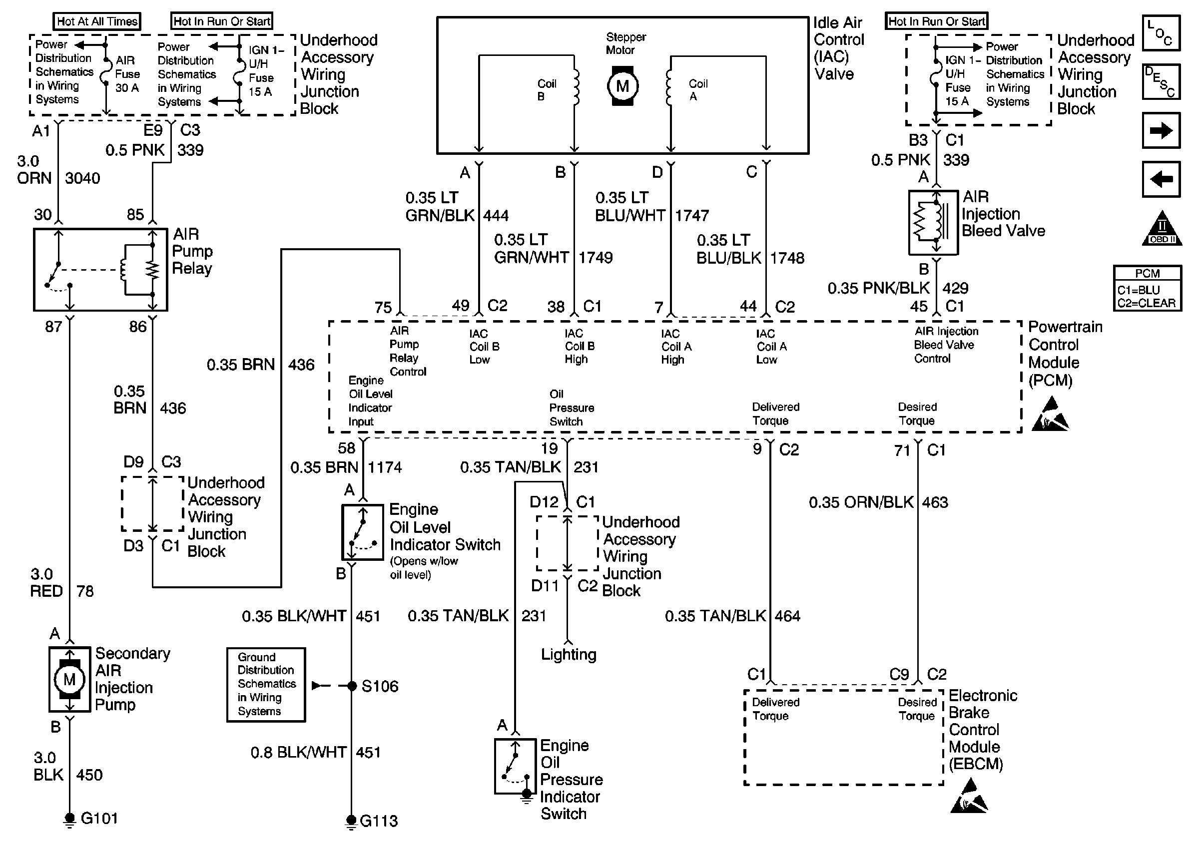
🢒 IAC Valve, EBTCM, Engine Oil Level Sensor
IAC Valve, EBTCM, Engine Oil Level Sensor
IAC Valve, EBTCM, Engine Oil Level Sensor
Underhood Accessory Wiring Junction Block
Underhood Accessory Wiring Junction Block, Relay Center, PWR WDO and PWR OTR Vent Fuses
Cell 14: G100, G111 and G113
Underhood Accessory Wiring Junction Block
OBD II Symbol Description Notice
Powertrain Control Module Connector End Views
Handling ESD Sensitive Parts Notice
Engine Controls Components
Powertrain Control Module Description
A/C Compressor Controls
Engine Data Sensors, HO2S1, HO2S2
Handling ESD Sensitive Parts Notice