GM Service Manual Online
For 1990-2009 cars only
Makes
🢒
Chevrolet
🢒
2000
🢒
Venture Ext.
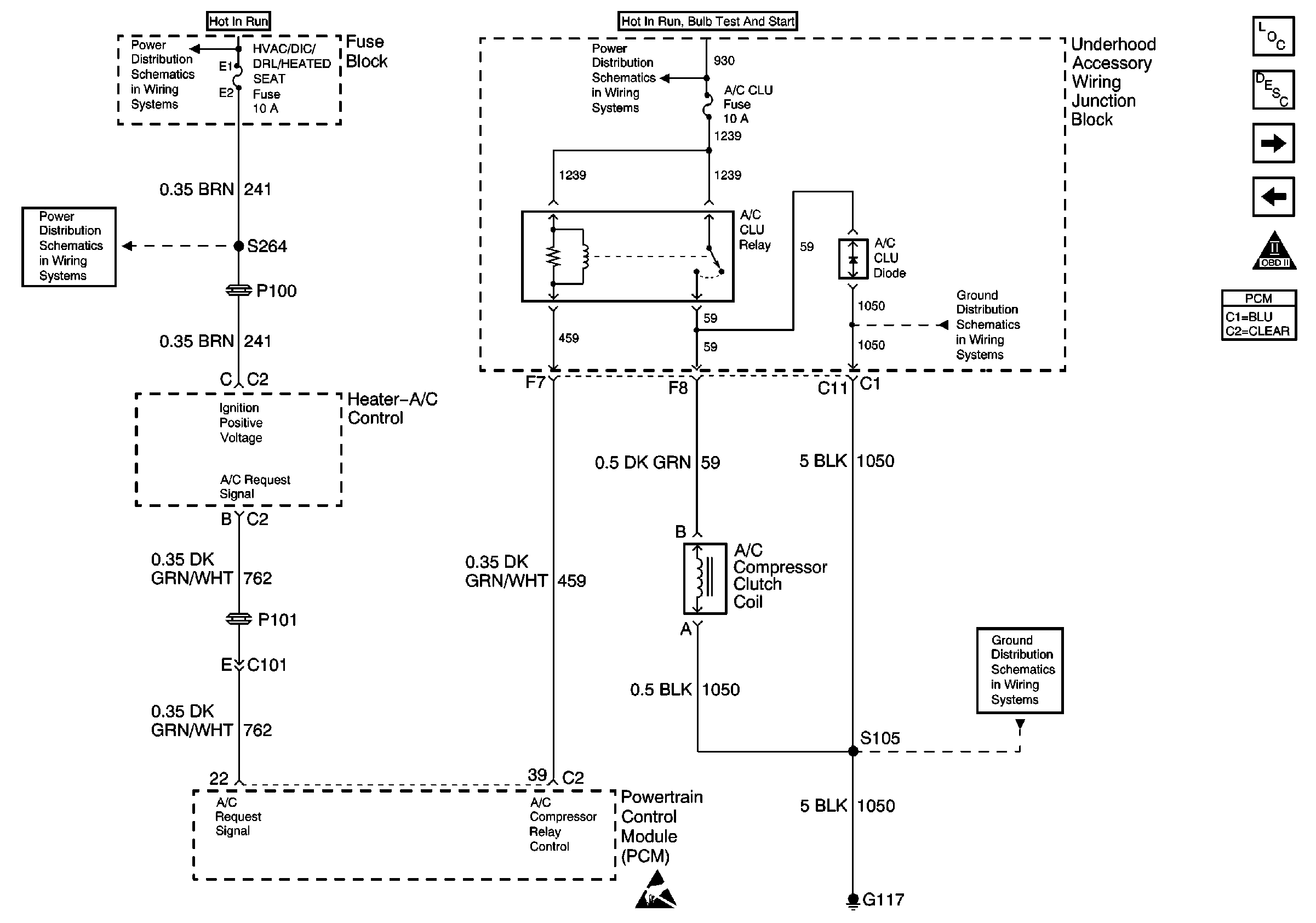
🢒 A/C Compressor Controls
A/C Compressor Controls
A/C Compressor Controls
HVAC/DIC/DRL/Heated Seat, HVAC Blower and RR HVAC/TEMP CONT Fuses
HVAC/DIC/DRL/Heated Seat, HVAC Blower and RR HVAC/TEMP CONT Fuses
Underhood Accessory Wiring Junction Block
Handling ESD Sensitive Parts Notice
Cell 14: G117
Cell 14: G117
Engine Controls Components
Powertrain Control Module Description
Coolant Fans
IAC Valve, EBTCM, Engine Oil Level Sensor
OBD II Symbol Description Notice
Powertrain Control Module Connector End Views