GM Service Manual Online
For 1990-2009 cars only
Makes
🢒
Chevrolet
🢒
2000
🢒
Venture Ext.
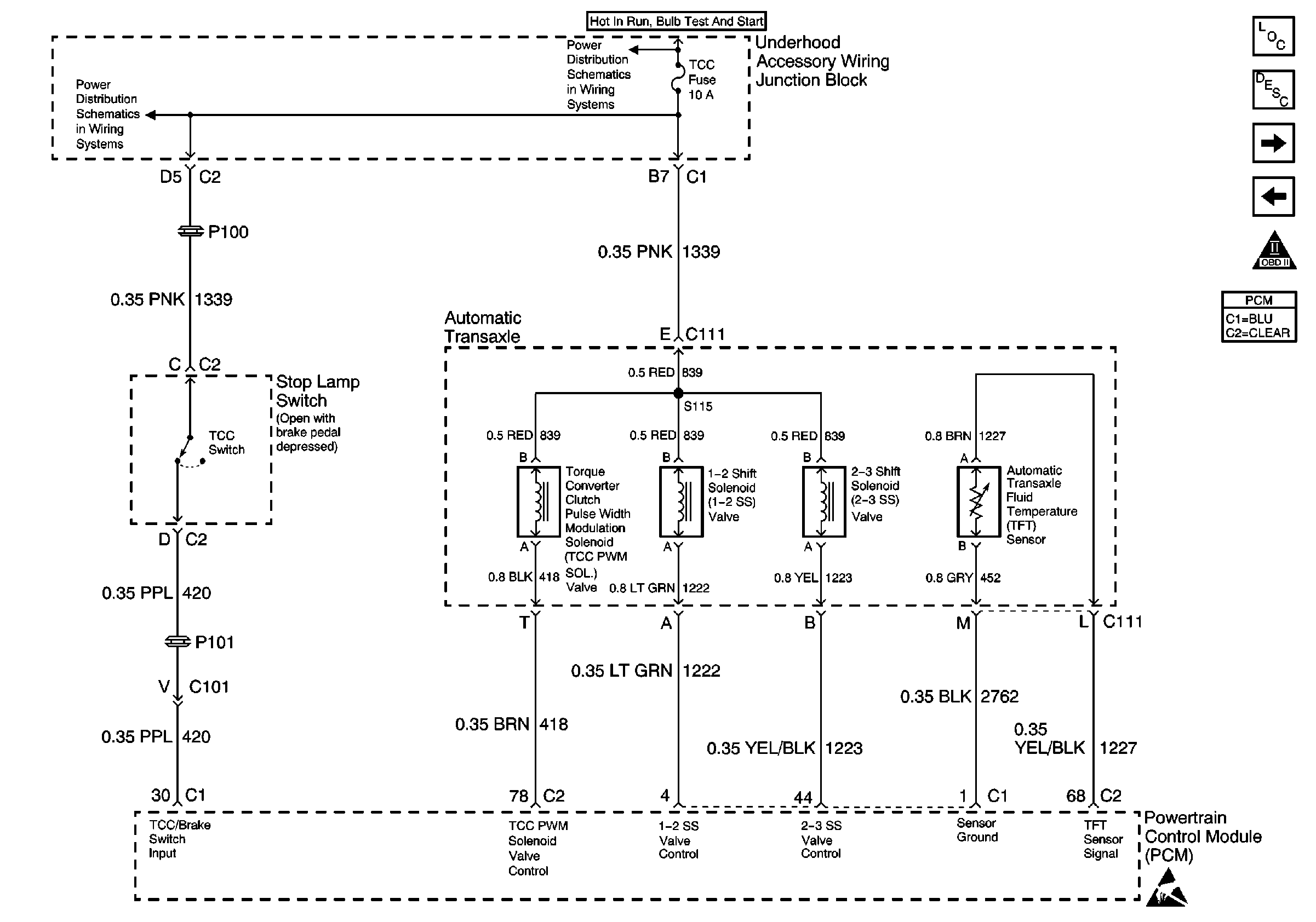
🢒 Automatic Transaxle, (2 of 2)
Automatic Transaxle, (2 of 2)
Automatic Transaxle, (2 of 2)
Underhood Accessory Wiring Junction Block
Underhood Accessory Wiring Junction Block
Engine Controls Components
Powertrain Control Module Description
Transaxle Range Switch
Automatic Transaxle, (1 of 2)
OBD II Symbol Description Notice
Powertrain Control Module Connector End Views
Handling ESD Sensitive Parts Notice