GM Service Manual Online
For 1990-2009 cars only
Makes
🢒
Chevrolet
🢒
2001
🢒
Venture Ext.
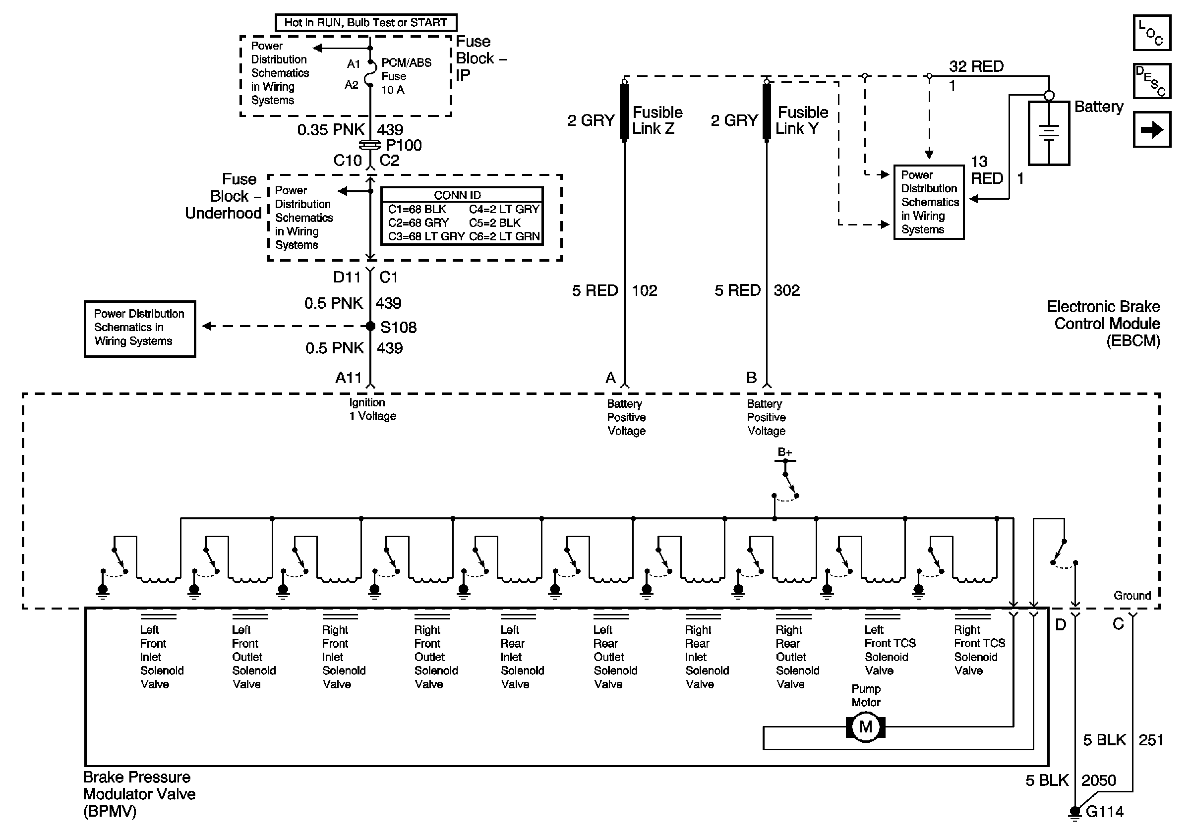
🢒 EBCM, Power and Ground
EBCM, Power and Ground
EBCM, Power and Ground
IGN MAIN 1, PCM/ABS, CAN VENT SOL, DRL and PCM/CRANK Fuses
IGN MAIN 1, PCM/ABS, CAN VENT SOL, DRL and PCM/CRANK Fuses
IGN MAIN 1, PCM/ABS, CAN VENT SOL, DRL and PCM/CRANK Fuses
Junction Block - Underhood
Master Electrical Component List
ABS Description and Operation
EBCM, Cluster and DLC