GM Service Manual Online
For 1990-2009 cars only
Makes
🢒
Chevrolet
🢒
2001
🢒
Venture Ext.
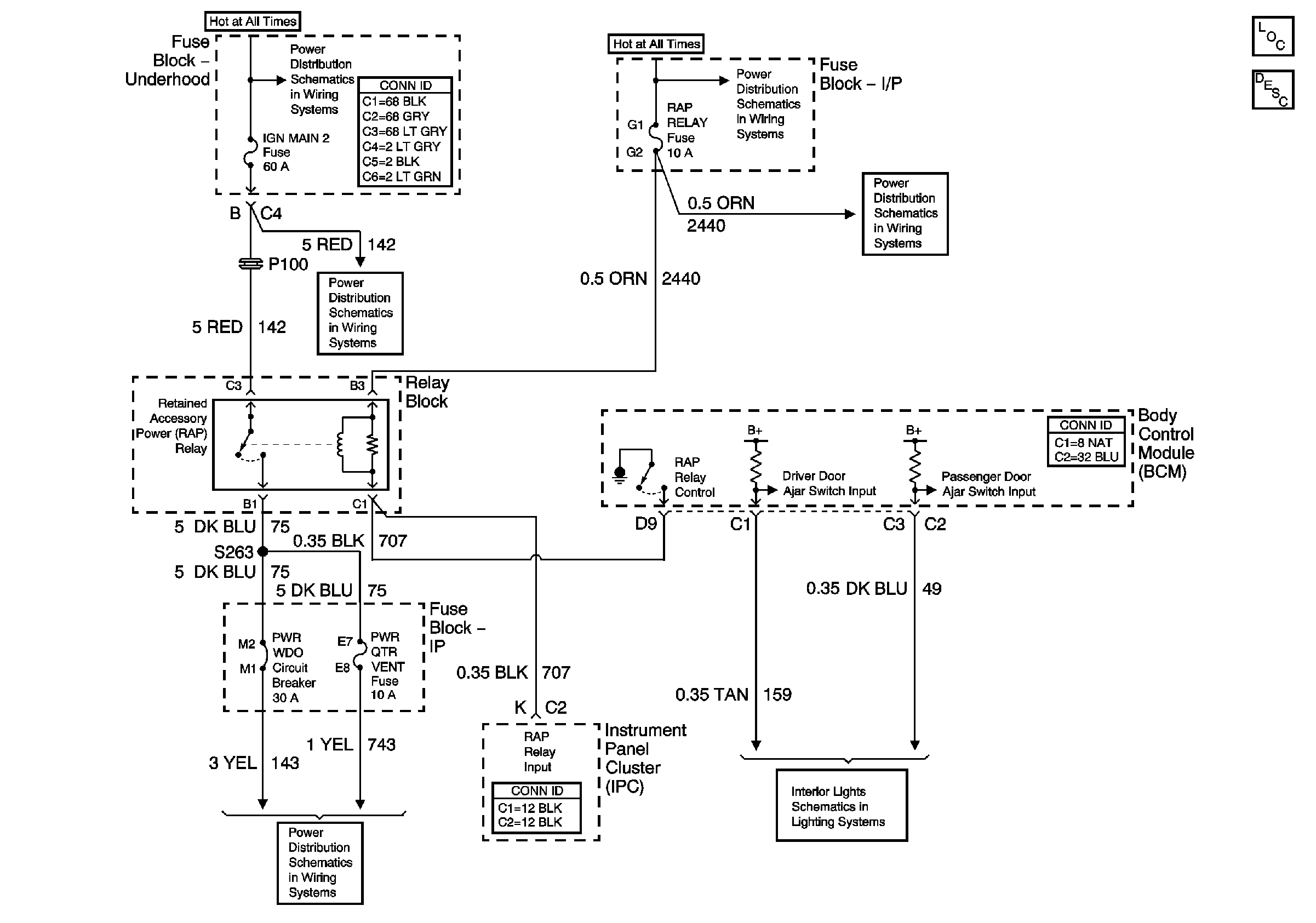
🢒 Retained Accessory Power (RAP)
Retained Accessory Power (RAP)
IGN MAIN 2, BCM PRGRM, RR WPR/WSHR, MALL/CLUSTER and FRT/WPR/WSHR Fuses
IGN MAIN 2, BCM PRGRM, RR WPR/WSHR, MALL/CLUSTER and FRT/WPR/WSHR Fuses
RAP Relay Junction Block - Underhood, ECM SENSE, B/U LAMP, ALT/SENSE and AIR Fuses
Power, Ground, Class 2 Data Line and Gauges
BATT MAIN 1, CLUSTER BATT, RR PWR SCKT, PWR LOCK, RAP RELAY, CTSY LAMP, CTSY LAMP, ONSTAR, CIGAR DLC/APO FRT, and PWR MIRROR Fuses
Door Locks, Sliding Door Jamb Switches and Liftgate Door Lock
G200 (3 of 3)
IGN 1, SDM, T/SIG, CRUISE and PCM PASS KEY/CLUSTER Fuses
IGN 1, SDM, T/SIG, CRUISE and PCM PASS KEY/CLUSTER Fuses
IGN MAIN 2, BCM PRGRM, RR WPR/WSHR, MALL/CLUSTER and FRT/WPR/WSHR Fuses
Master Electrical Component List
Retained Accessory Power (RAP) Description and Operation