GM Service Manual Online
For 1990-2009 cars only
Makes
🢒
Chevrolet
🢒
2001
🢒
Venture Ext.
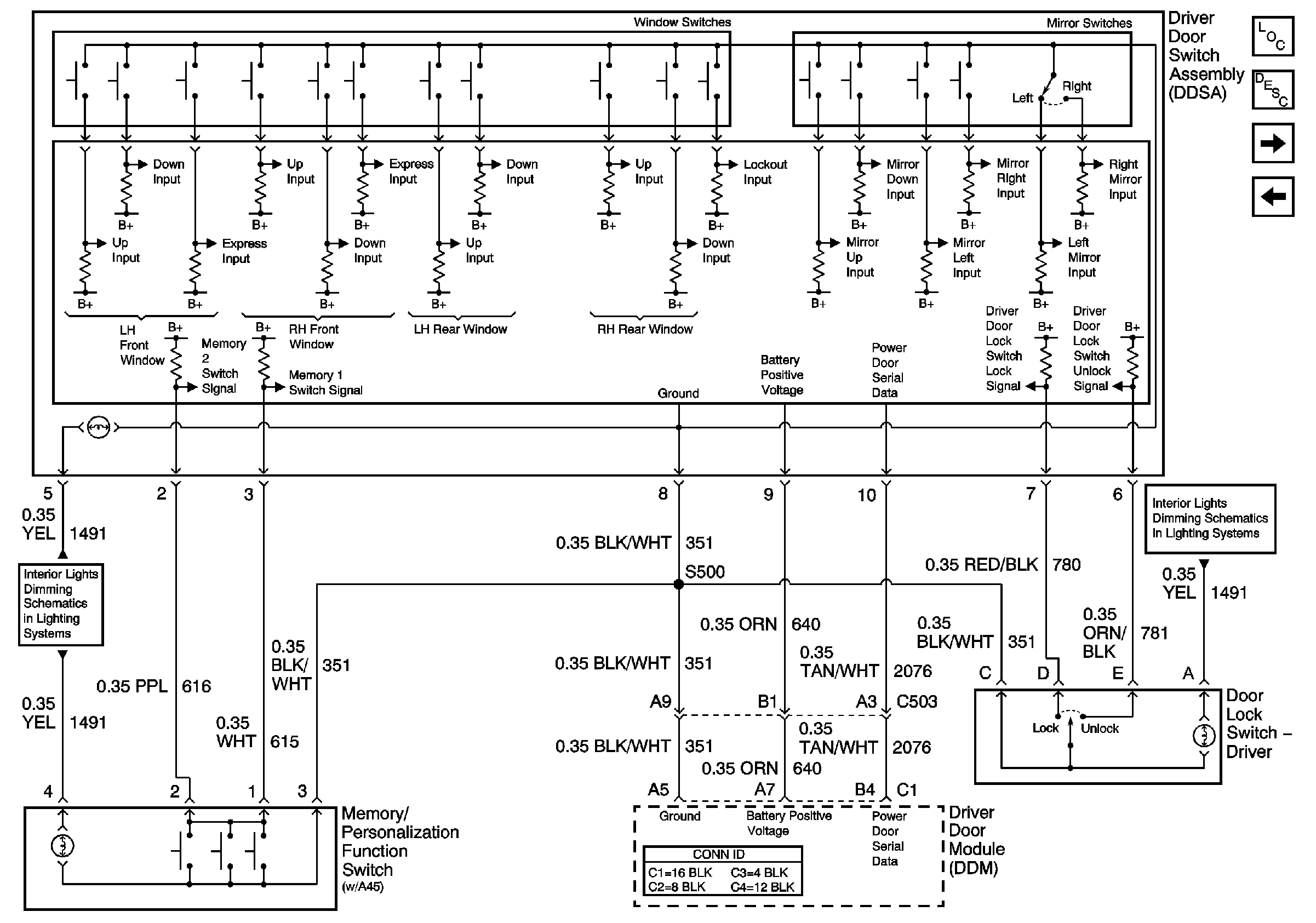
🢒 Driver Door Switch Assembly
Driver Door Switch Assembly
Driver Door Switch Assembly
Master Electrical Component List
Front Door Dimming
Front Door Dimming
Simple Bus Interface (SBI)
RRDM