GM Service Manual Online
For 1990-2009 cars only
Makes
🢒
Chevrolet
🢒
2001
🢒
Venture Ext.
🢒 Left Front Door
Left Front Door
Left Front Door
Master Electrical Component List
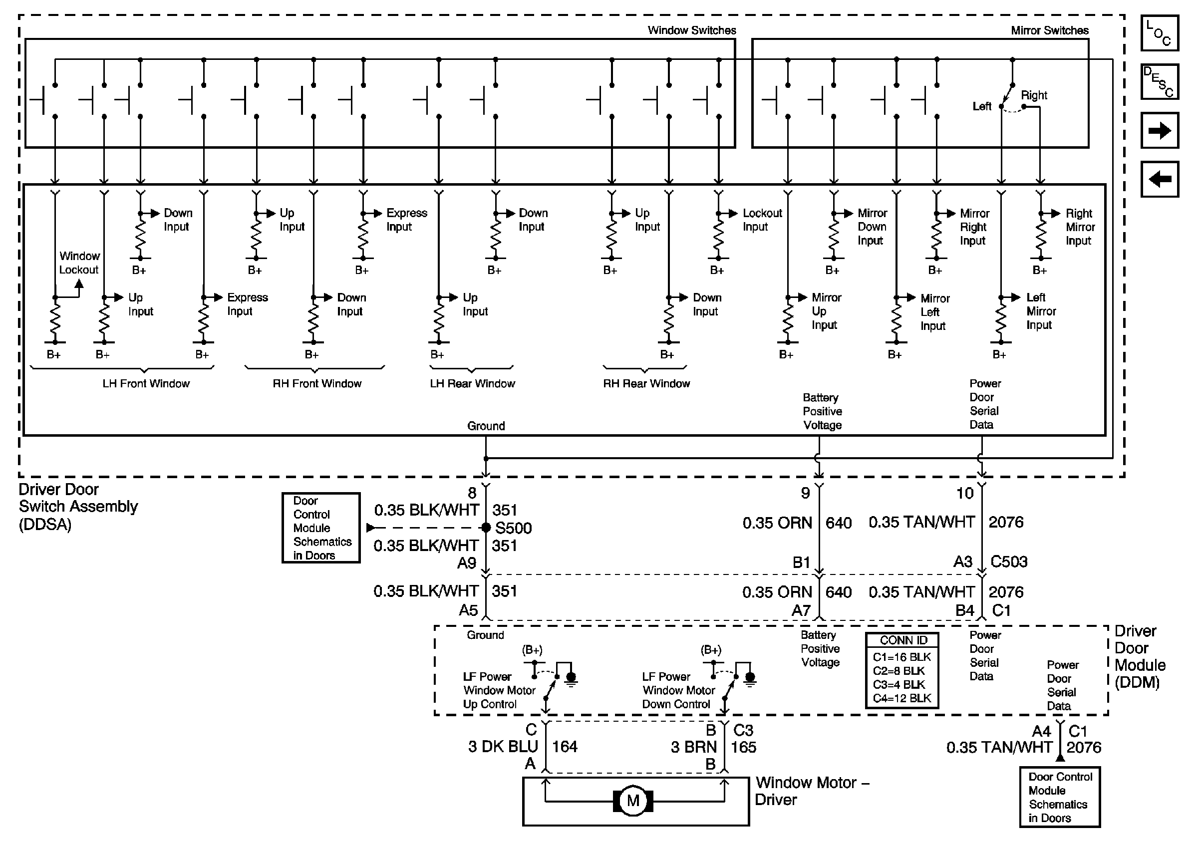
Driver Door Switch Assembly
Simple Bus Interface (SBI)
Right Rear Door
Right Front Door