GM Service Manual Online
For 1990-2009 cars only
Makes
🢒
Chevrolet
🢒
2001
🢒
Venture Ext.
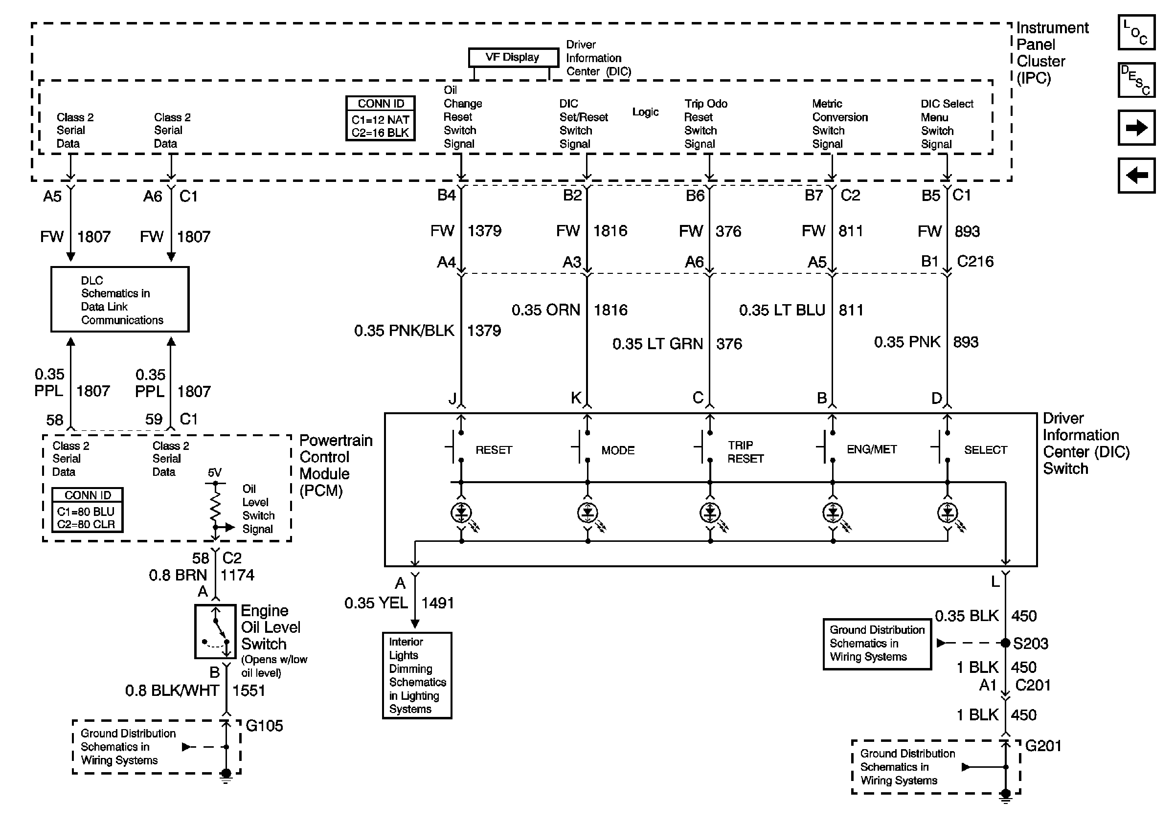
🢒 DIC Switch (w/U50)
DIC Switch (w/U50)
DIC Switch (w/U50)
Master Electrical Component List
Class 2 Serial Data
G104 and G105
IP and Console Lamp Dimming
G201 (1 of 2)
G201 (1 of 2)
DIC Switch (w/U2F)
Compass