GM Service Manual Online
For 1990-2009 cars only
Makes
🢒
Chevrolet
🢒
2001
🢒
Venture Ext.
🢒 Compressor Controls
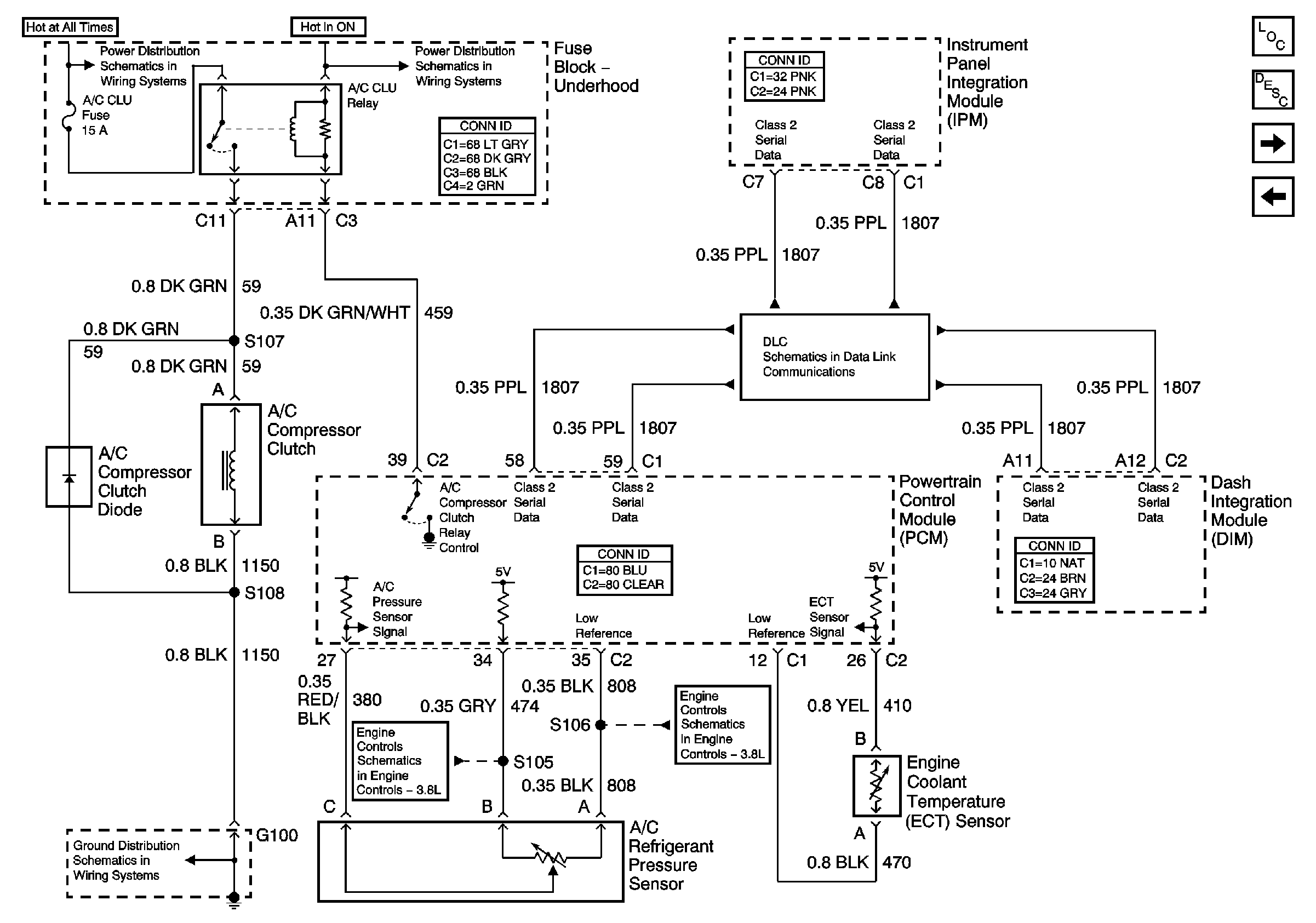
Compressor Controls
Compressor Controls
Master Electrical Component List
Battery Voltage to the Rear Fuse Block
Ignition Switch RUN and START/RUN Positions
Class 2 Serial Data
Air Delivery
HVAC Controls
G100 and G102
Sensor Signals
Sensor Signals