GM Service Manual Online
For 1990-2009 cars only
Makes
🢒
Chevrolet
🢒
2001
🢒
Venture Ext.
🢒 HVAC Controls
HVAC Controls
HVAC Controls
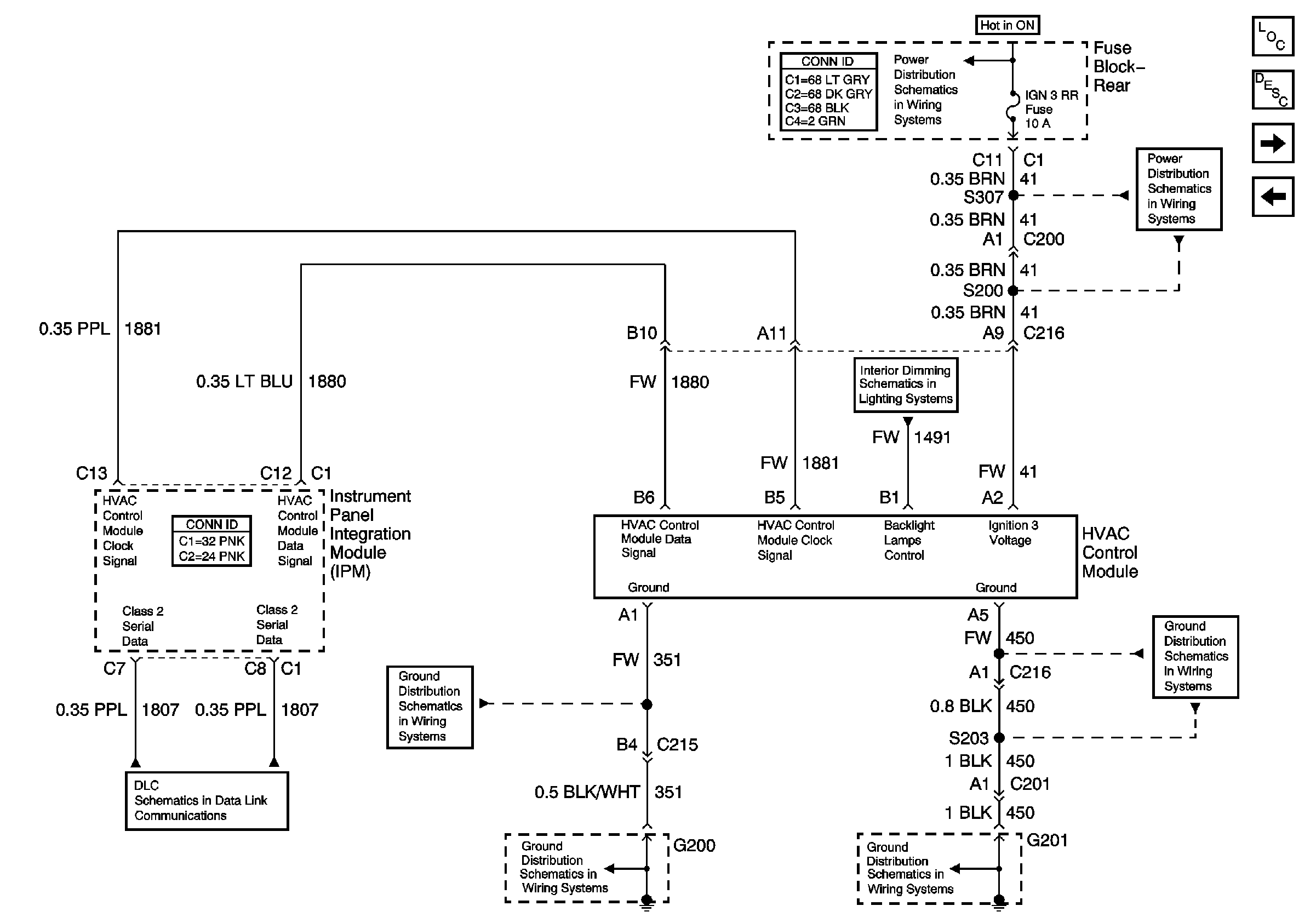
Master Electrical Component List
Battery Voltage to the Rear Fuse Block
IGN 3 and ABS Fuses (Fuse Block - Rear)
Compressor Controls
Blower Control
Class 2 Serial Data
G200
G200
IP and Console Lamp Dimming
G201 (1 of 2)
G201 (1 of 2)