GM Service Manual Online
For 1990-2009 cars only
Makes
🢒
Chevrolet
🢒
2002
🢒
Venture Ext.
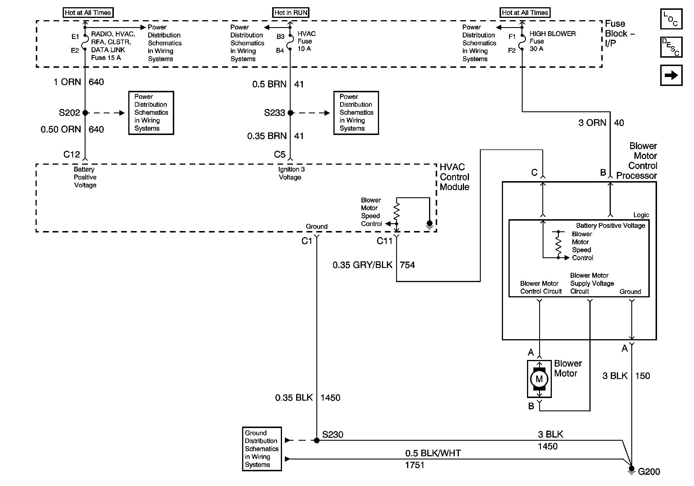
🢒 Blower Controls
Blower Controls
Blower Controls
Master Electrical Component List
Air Delivery Description and Operation
Compressor Controls
Batt 1 Fuse
Batt 1 Fuse
Blower, Cruise, HVAC
Blower, Cruise, HVAC
Batt 2
G200, Page 1 of 2