GM Service Manual Online
For 1990-2009 cars only
Makes
🢒
Chevrolet
🢒
2002
🢒
Venture Ext.
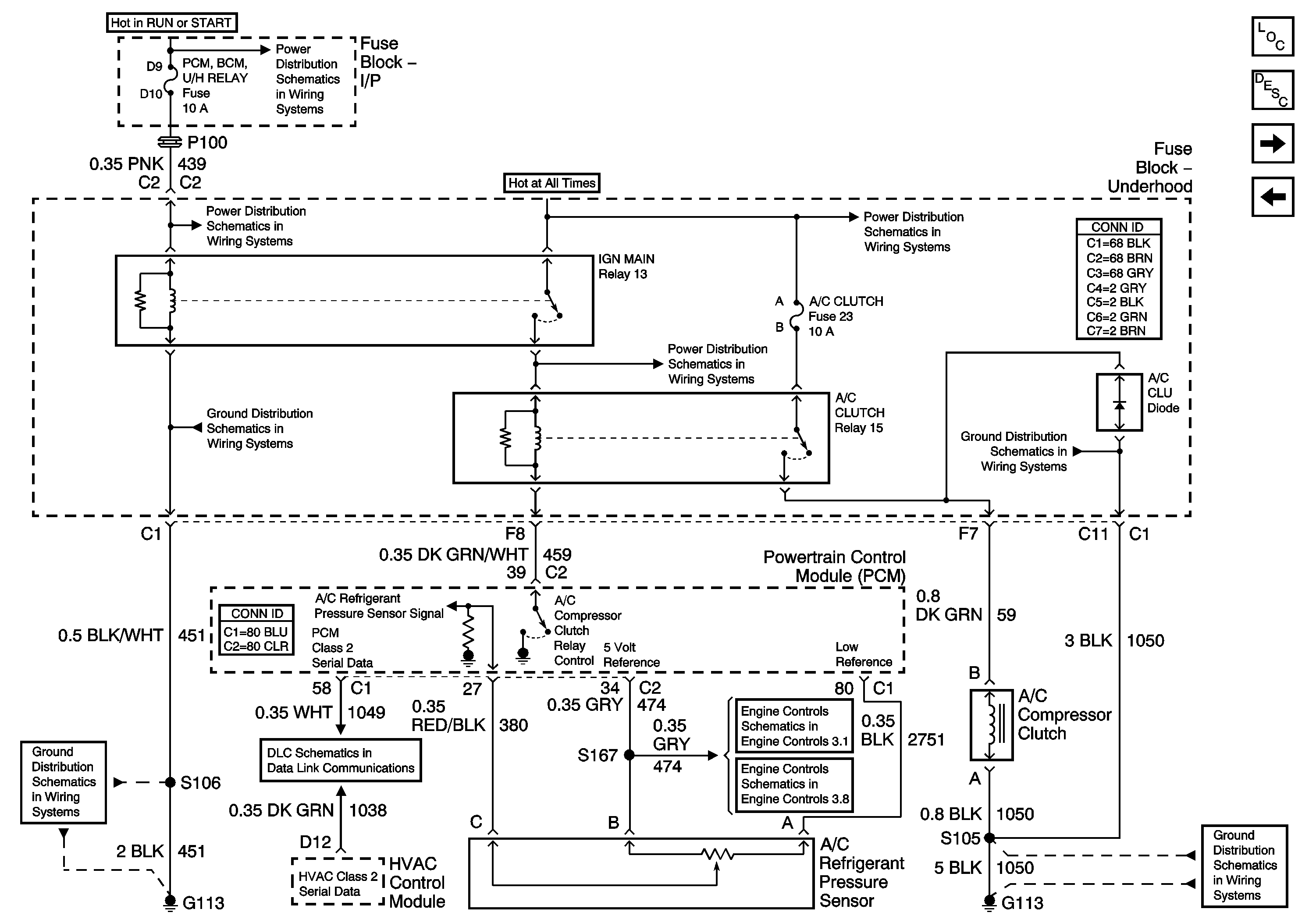
🢒 Compressor Controls
Compressor Controls
Compressor Controls
Master Electrical Component List
Air Temperature Description and Operation
Air Delivery/Temperature Control
Blower Controls
PCM, BCM, Cluster, Turn, SDM
PCM, BCM, Cluster, Turn, SDM
G100,G111 and G113
G100,G111 and G113
DLC
Power Bussing for Fuse Block-Underhood page 2 of 2
Power Bussing for Fuse Block-Underhood page 2 of 2
G113
Fuel Pump and FTP Sensor
Fuel Pump Control, FTP
G113