GM Service Manual Online
For 1990-2009 cars only
Makes
🢒
Chevrolet
🢒
2002
🢒
Venture Ext.
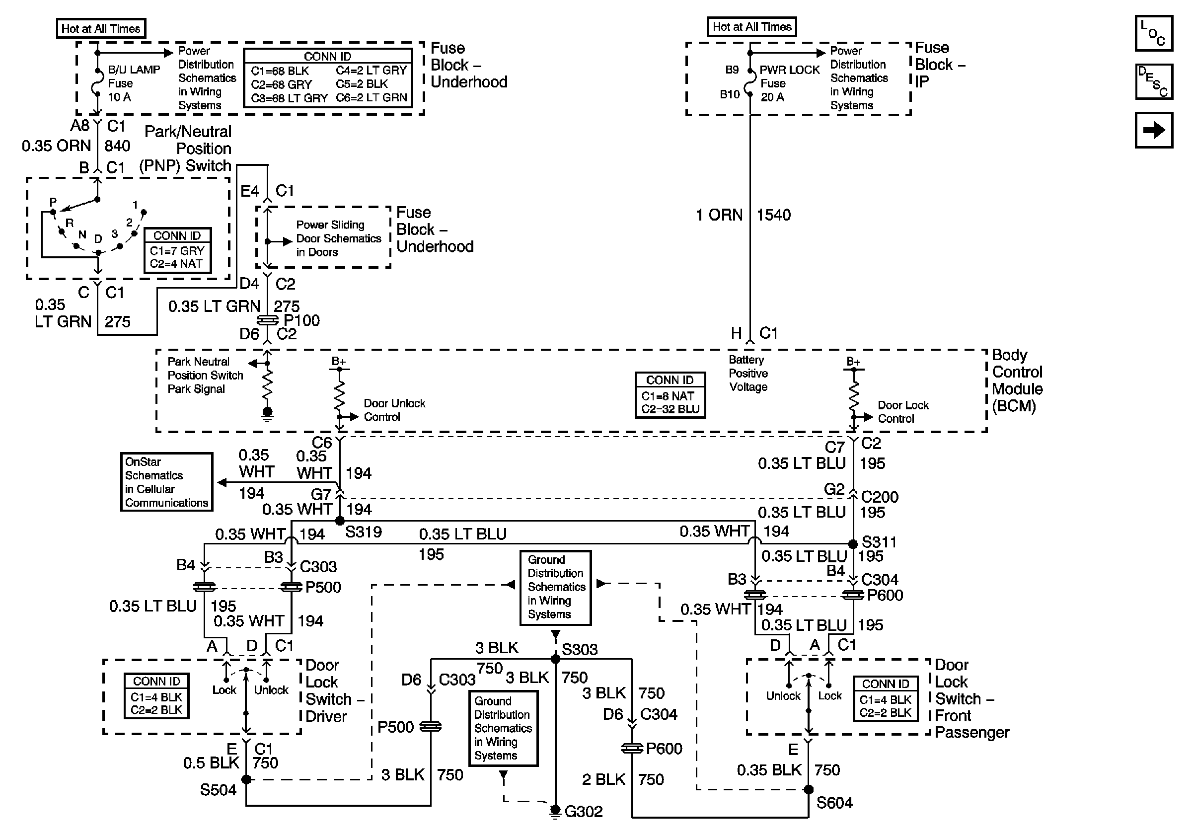
🢒 Door Lock Switches
Door Lock Switches
Door Lock Switches
RAP Relay Junction Block - Underhood, ECM SENSE, B/U LAMP, ALT/SENSE and AIR Fuses
IGN 1, SDM, T/SIG, CRUISE and PCM PASS KEY/CLUSTER Fuses
IGN 1, SDM, T/SIG, CRUISE and PCM PASS KEY/CLUSTER Fuses
BATT MAIN 1, CLUSTER BATT, RR PWR SCKT, PWR LOCK, RAP RELAY, CTSY LAMP, CTSY LAMP, ONSTAR, CIGAR DLC/APO FRT, and PWR MIRROR Fuses
IGN MAIN 2, BCM PRGRM, RR WPR/WSHR, MALL/CLUSTER and FRT/WPR/WSHR Fuses
Right Door PSD Switches, Transmission Range Switch and RKE
Rear Window Wiper/Washer and Multifunction Switch, Window and Door Lock Switches
Onstar Power and Grounds
G302 (2 of 2)
G302 (2 of 2)
Rear Window Wiper/Washer and Multifunction Switch, Window and Door Lock Switches
Master Electrical Component List
Power Door Locks Description and Operation
Key Cylinder Switches