GM Service Manual Online
For 1990-2009 cars only
Makes
🢒
Chevrolet
🢒
2002
🢒
Venture Ext.
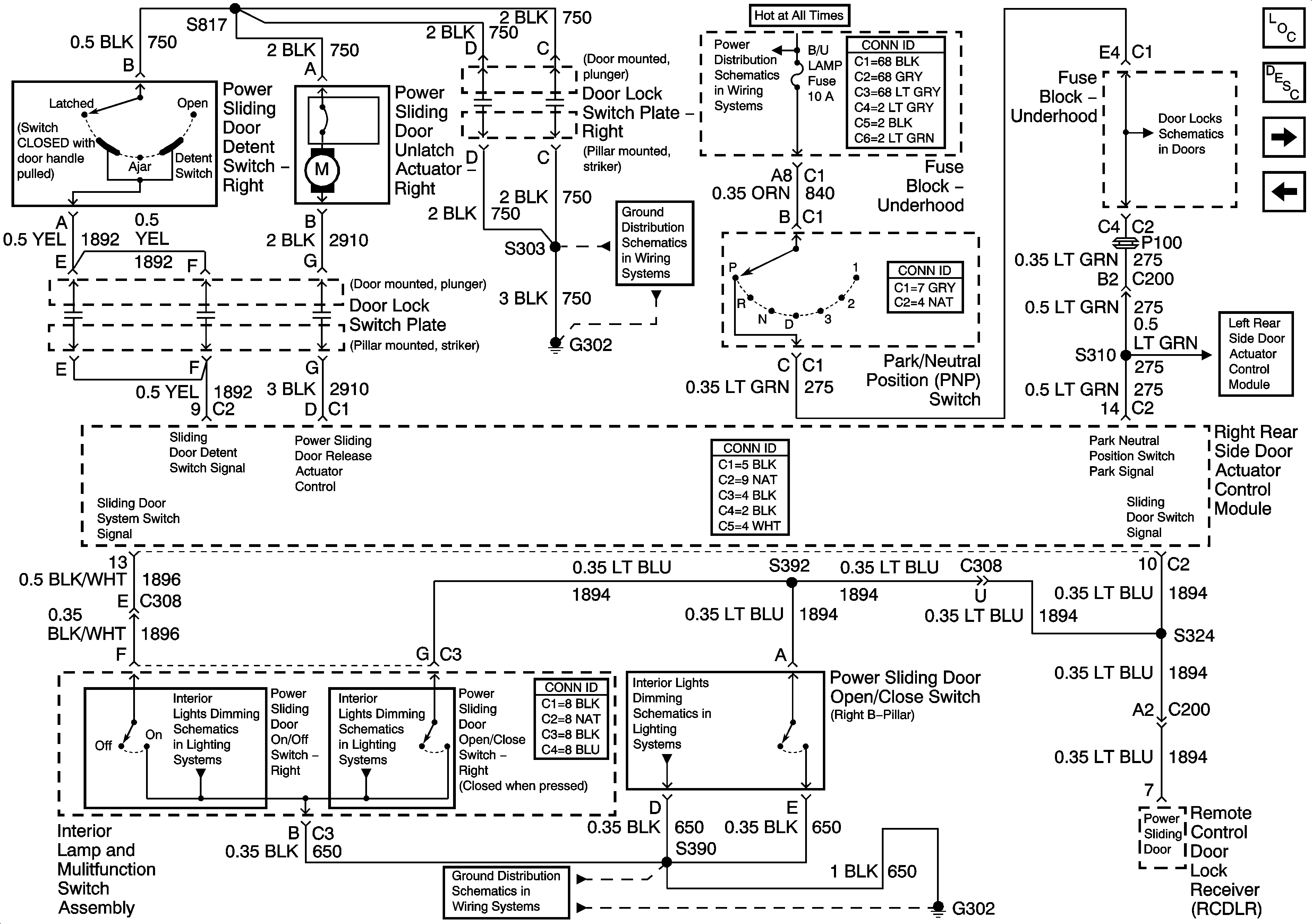
🢒 Right Door PSD Switches, Transmission Range Switch and RKE
Right Door PSD Switches, Transmission Range Switch and RKE
Right Door PSD Switches, Transmission Range Switch and RKE
G302 (2 of 2)
RAP Relay Junction Block - Underhood, ECM SENSE, B/U LAMP, ALT/SENSE and AIR Fuses
Door Lock Switches
Left Door PSD Switches, Transmission Range Switch and RKE
Interior Lamp and Multifunction Switch, Driver Information Display and Release Actuator Switch
G302 (1 of 2)
Master Electrical Component List
Power Sliding Door (PSD) Description and Operation
Left Door Power, Ground and PSD Motor
Right Door Power, Ground and PSD Motor