GM Service Manual Online
For 1990-2009 cars only
Makes
🢒
Chevrolet
🢒
2002
🢒
Venture Ext.
🢒 Indicators
Indicators
Indicators
Master Electrical Component List
ABS Description and Operation
Stoplamp and Torque Signals
Power and Ground
G203, Page 2 of 2
G203, Page 1 of 2
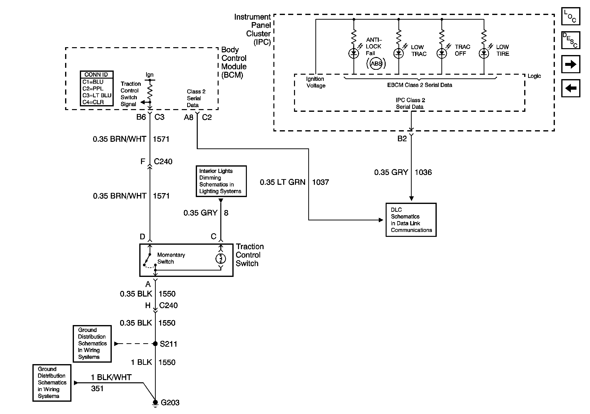
Radio, Shift Lever, Ashtray, Traction Control, and Fog Lamp Switches
DLC