GM Service Manual Online
For 1990-2009 cars only
Makes
🢒
Chevrolet
🢒
2002
🢒
Venture Ext.
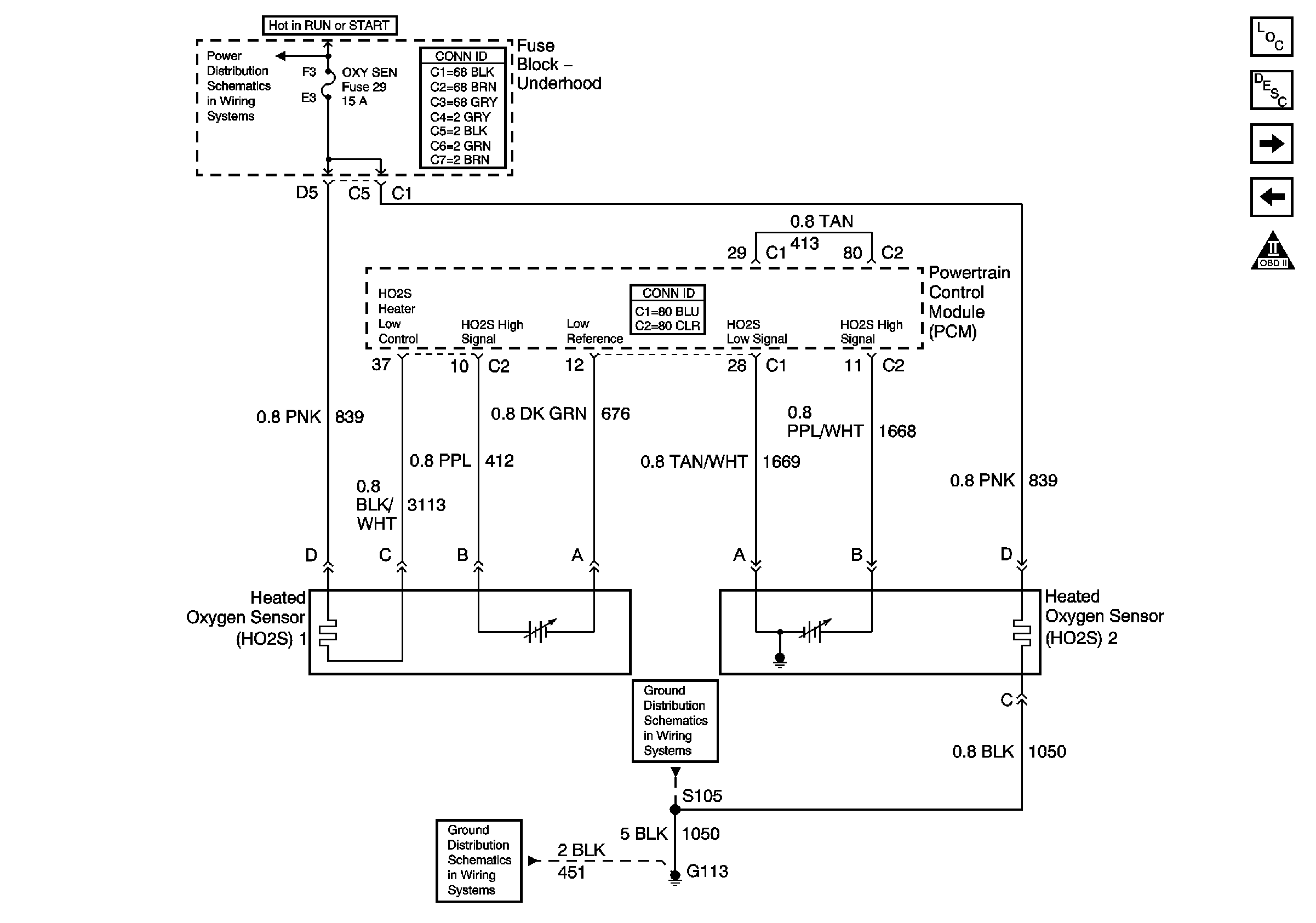
🢒 Oxygen Sensors
Oxygen Sensors
Oxygen Sensors
Master Electrical Component List
Air Intake System Description
MAF, EVAP, EGR Controls
Fuel Injectors
OBD II Symbol Description Notice
Power Bussing for Fuse Block-Underhood page 2 of 2
G100,G111 and G113
G113