GM Service Manual Online
For 1990-2009 cars only
Makes
🢒
Chevrolet
🢒
2002
🢒
Venture Ext.
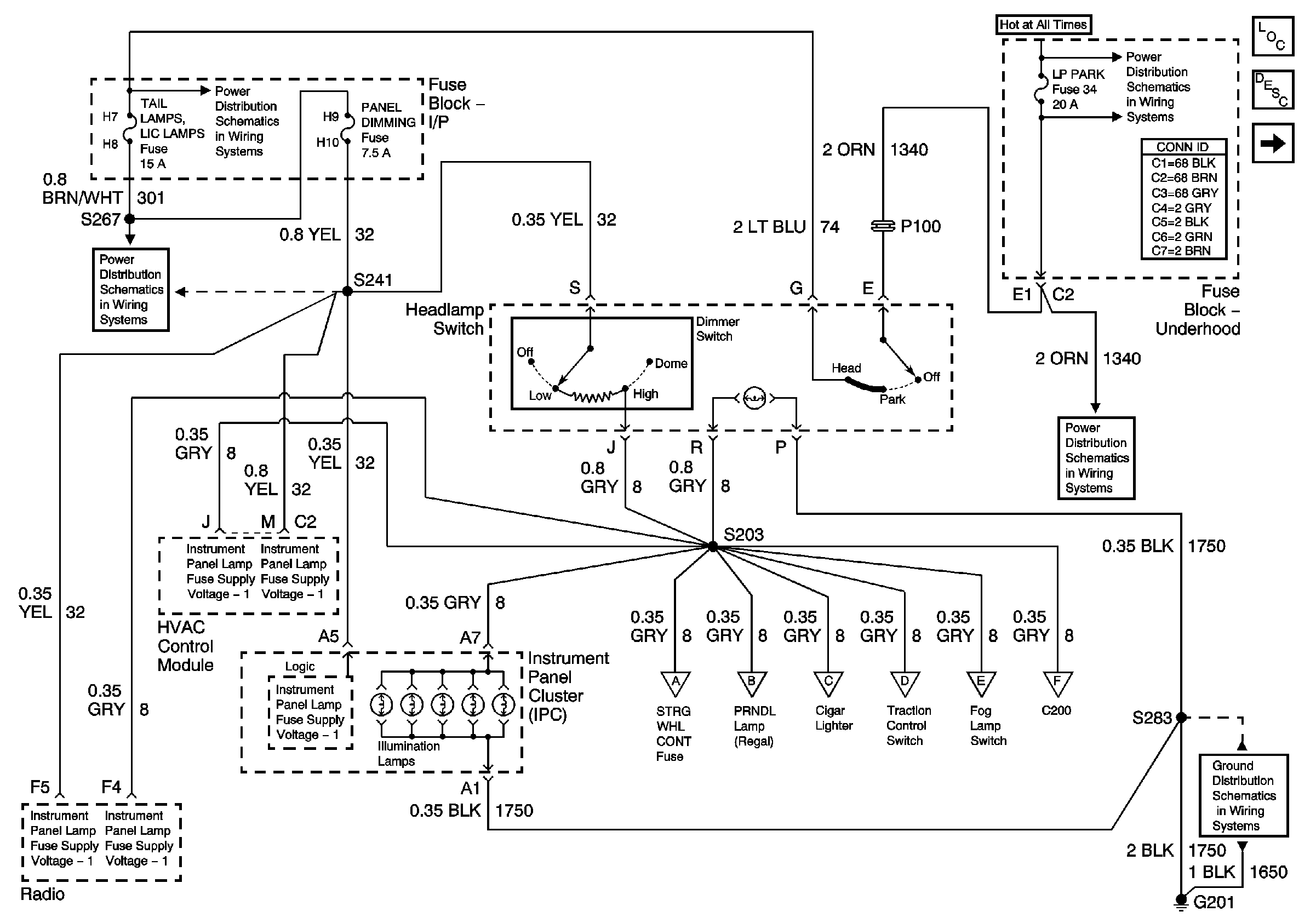
🢒 IP Dimmer Switch, HVAC, and IPC
IP Dimmer Switch, HVAC, and IPC
IP Dimmer Switch, HVAC, and IPC
Master Electrical Component List
Interior Lighting Systems Description and Operation
Radio, Shift Lever, Ashtray, Traction Control, and Fog Lamp Switches
Lighting
Lighting
Power Bussing for Fuse Block Underhood Page 1 of 2
Lighting, Power Windows
Radio, Shift Lever, Ashtray, Traction Control, and Fog Lamp Switches
Radio, Shift Lever, Ashtray, Traction Control, and Fog Lamp Switches
Radio, Shift Lever, Ashtray, Traction Control, and Fog Lamp Switches
Radio, Shift Lever, Ashtray, Traction Control, and Fog Lamp Switches
Radio, Shift Lever, Ashtray, Traction Control, and Fog Lamp Switches
Door and Seat Switches
G201