GM Service Manual Online
For 1990-2009 cars only
Makes
🢒
Chevrolet
🢒
2002
🢒
Venture Ext.
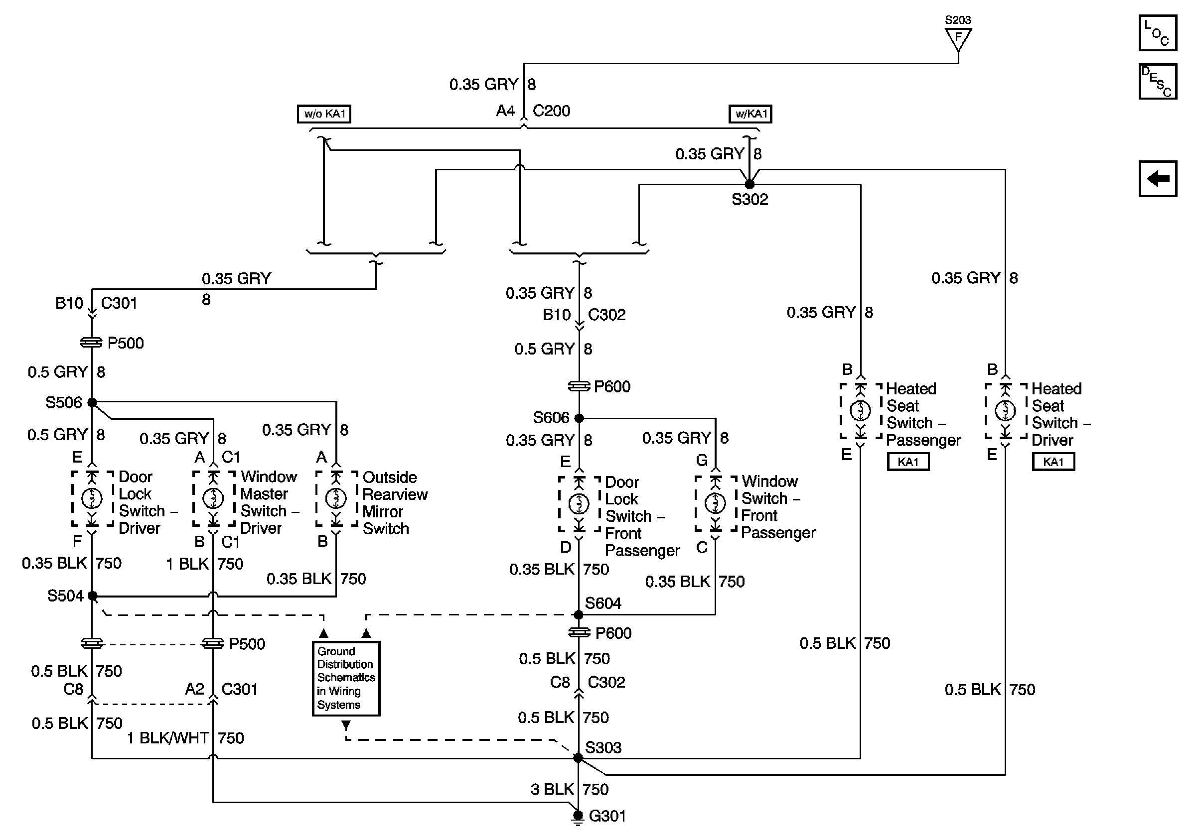
🢒 Door and Seat Switches
Door and Seat Switches
Door and Seat Switches
Master Electrical Component List
Interior Lighting Systems Description and Operation
Radio, Shift Lever, Ashtray, Traction Control, and Fog Lamp Switches
IP Dimmer Switch, HVAC, and IPC
G301, Page 1 of 2