GM Service Manual Online
For 1990-2009 cars only
Makes
🢒
Chevrolet
🢒
2003
🢒
Venture Ext.
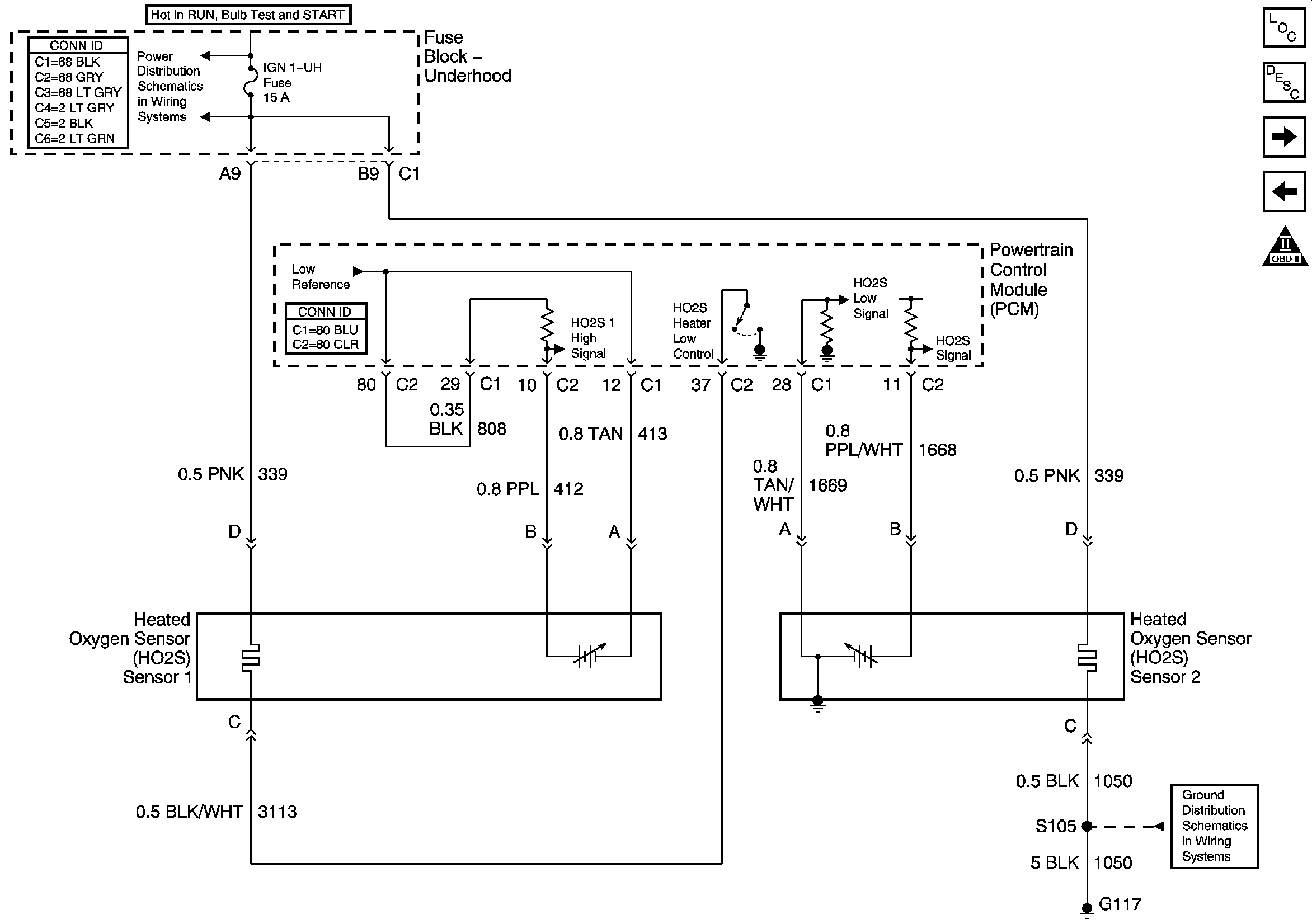
🢒 Engine Data Sensors - HO2S
Engine Data Sensors - HO2S
Engine Data Sensors - HO2S
Master Electrical Component List
Powertrain Control Module Description
Ignition Controls - Ignition System and Sensors
Engine Data Sensors - MAF and VSS
OBD II Symbol Description Notice
Fuse Block - Underhood IGN 1 - U/H Fuse
G114 and G117