GM Service Manual Online
For 1990-2009 cars only
Makes
🢒
Chevrolet
🢒
2007
🢒
Vivant
🢒
Diagnostic Navigation
🢒
Vehicle Diagnostic Information
🢒 Engine Cooling Schematics
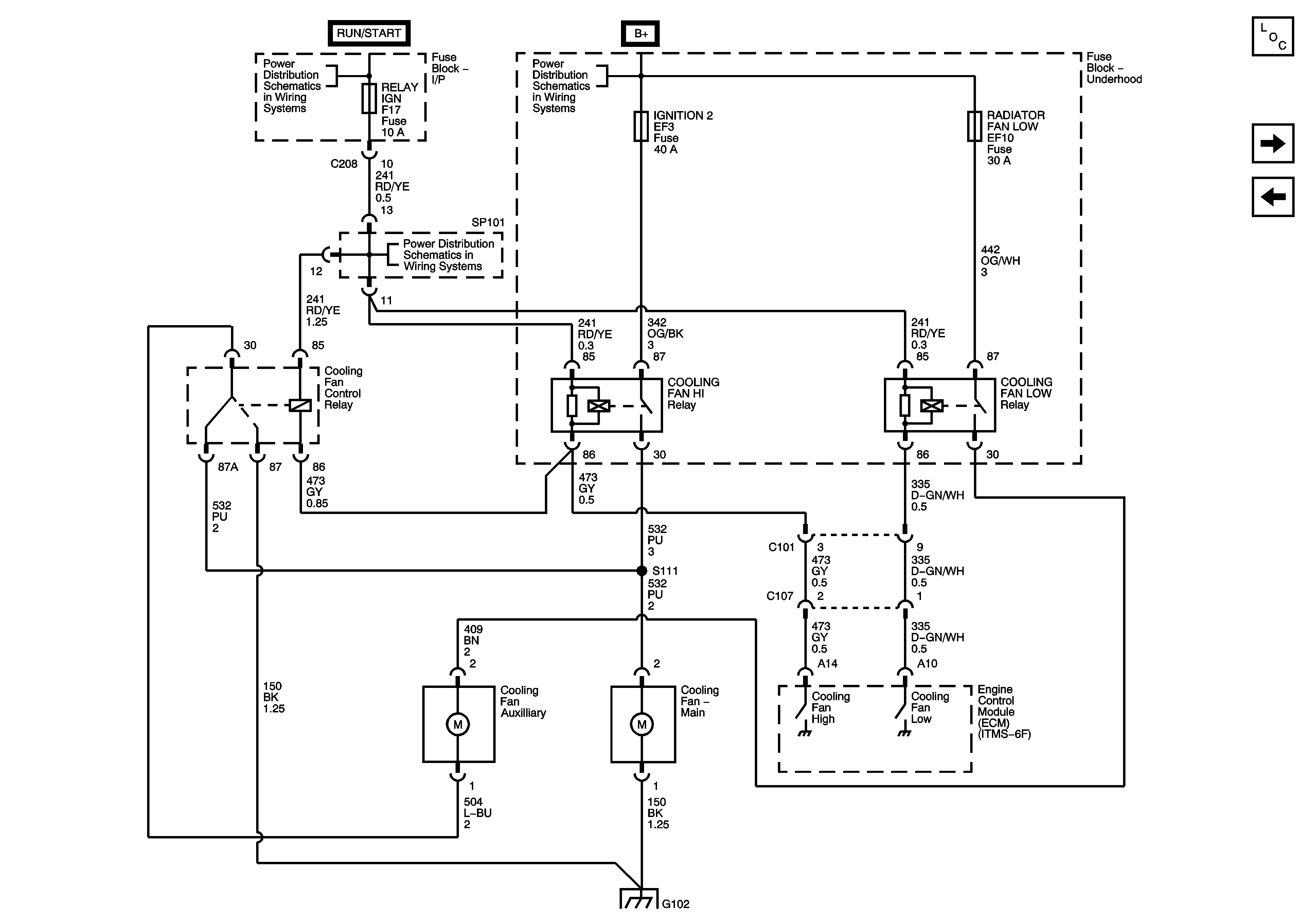
Figure
1:
Dual Fans (MR-140)
Master Electrical Component List
Dual Fans (ITMS-6F)
Electrical Mirror and Heater Fuses (RHD)
Electrical Mirror and Heater Fuses (RHD)
Cluster, Air Bag, Turn Signal and Cruise Fuses (LHD)
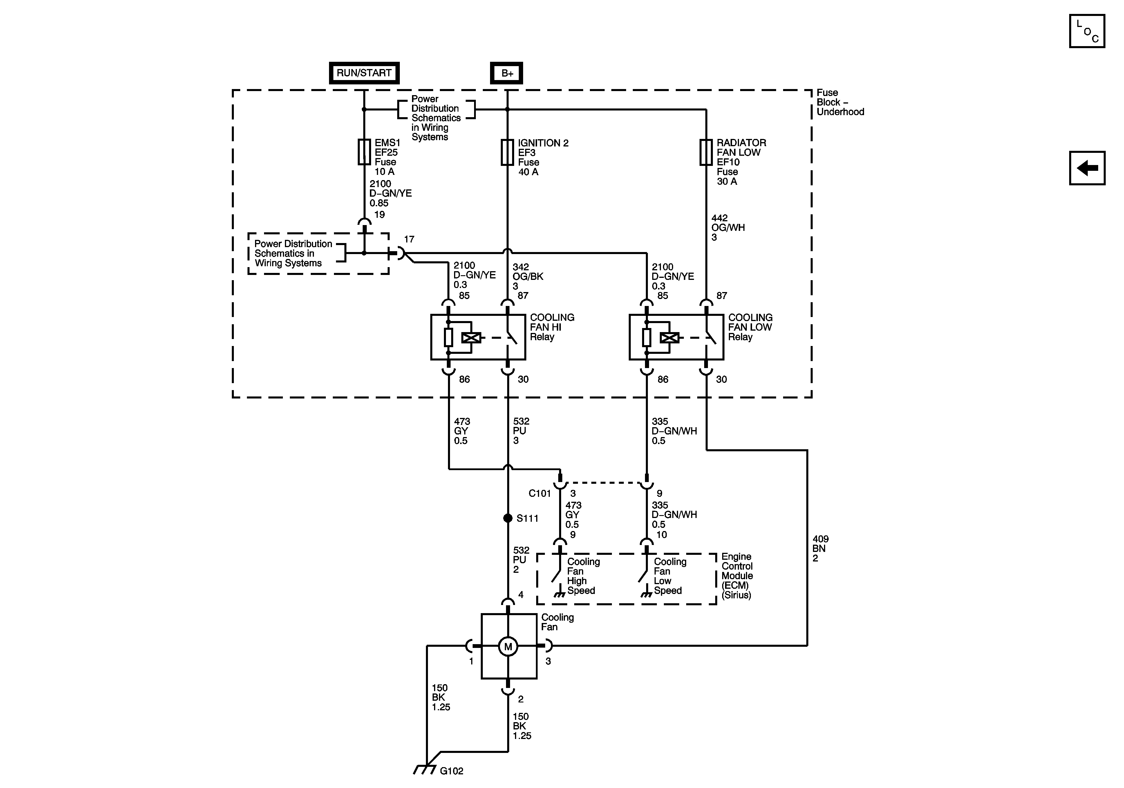
Figure
2:
Dual Fans (ITMS-6F)
Master Electrical Component List
Single Fan (Sirius D4)
Dual Fans (MR-140)
Electrical Mirror and Heater Fuses (RHD)
Fuel Pump, Radiator, Fan High, A/C Comp and Radiator Fan Low Fuses (Sirius D4)
Electrical Mirror and Heater Fuses (RHD)
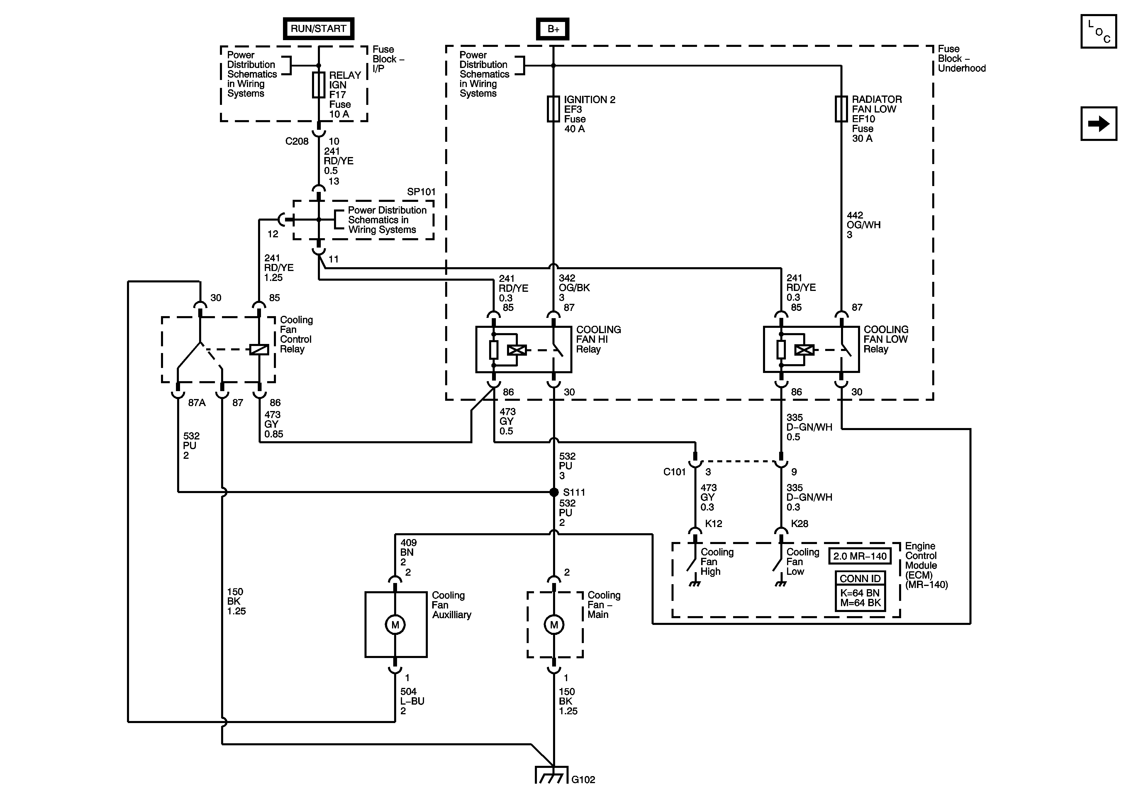
Figure
3:
Signal Fan (Sirius D4)
Master Electrical Component List
Dual Fans (ITMS-6F)
Door Lock, Hazard Flasher, TCM and Audio Fuses
Door Lock, Hazard Flasher, TCM and Audio Fuses