GM Service Manual Online
For 1990-2009 cars only
Makes
🢒
Chevrolet
🢒
2007
🢒
Vivant
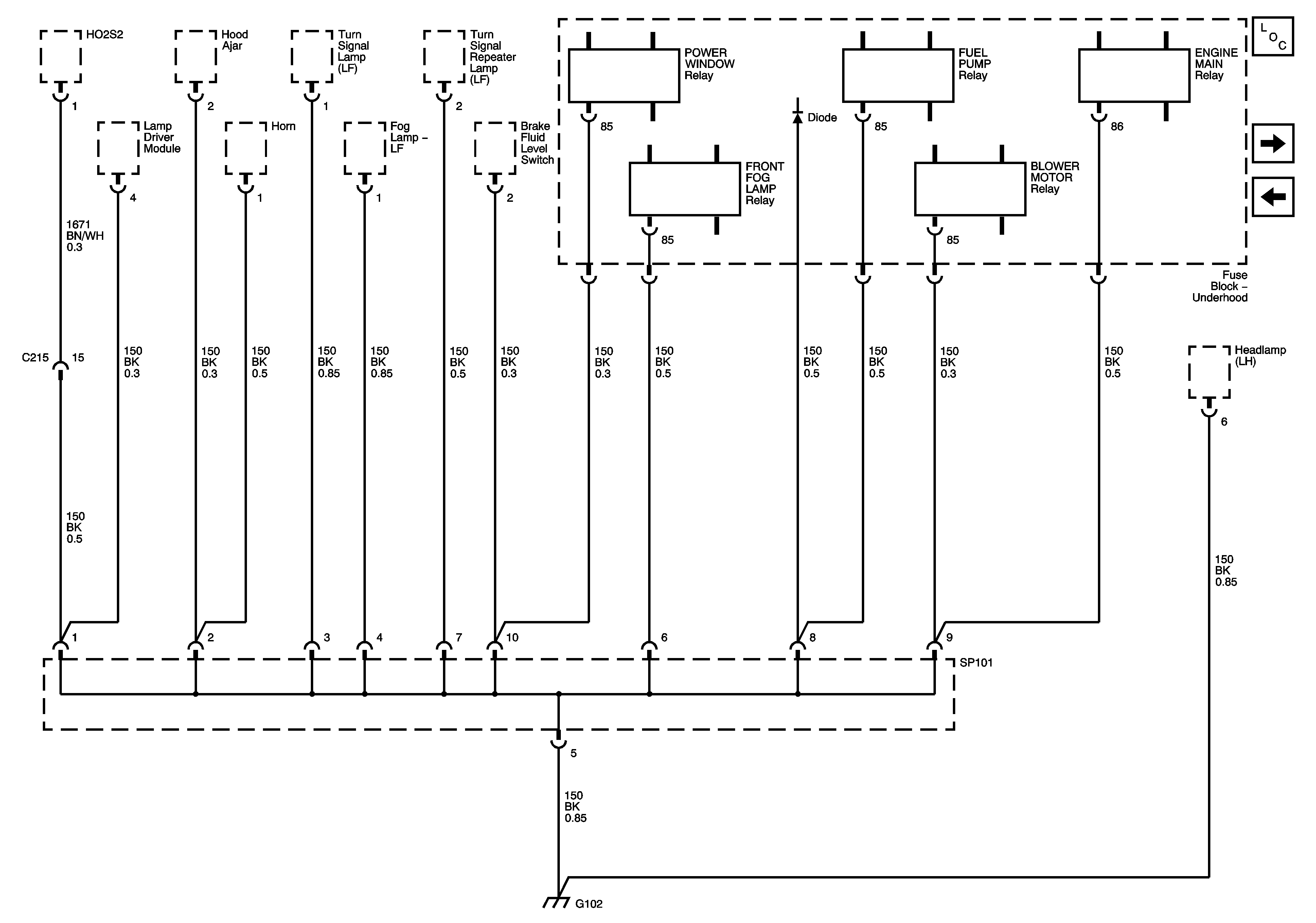
🢒 G102 (Cont)
G102 (Cont)
G102 (cont)
Master Electrical Component List
G103, G107
G102, G101, G106