GM Service Manual Online
For 1990-2009 cars only
Makes
🢒
Chevrolet
🢒
2007
🢒
Vivant
🢒 Engine Data Sensors
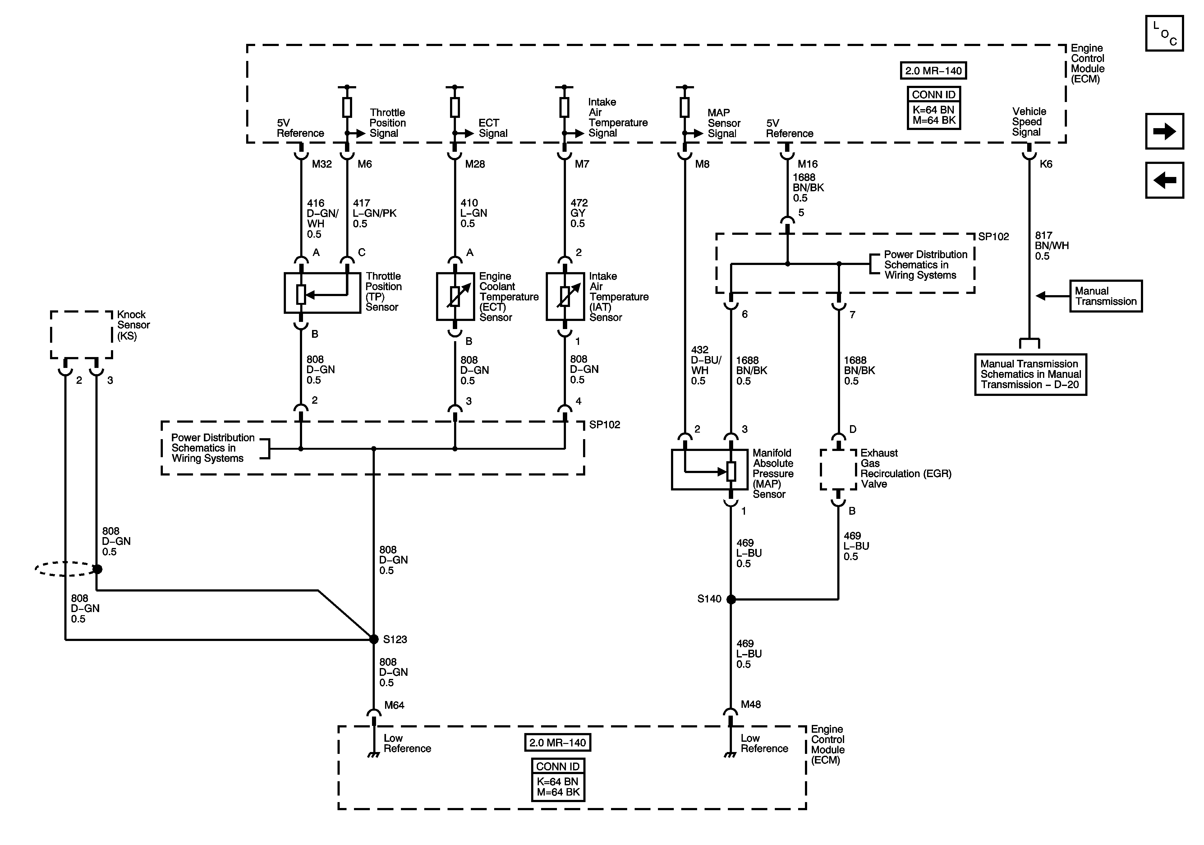
Engine Data Sensors
Engine Data Sensors
Master Electrical Component List
Oxygen Sensors
Power, Ground, Serial Data, MIL
Vehicle Speed Sensor (MR 140)
Underhood Fuse Block-Battery Feeds
Cluster, Air Bag, Turn Signal and Cruise Fuses (LHD)