GM Service Manual Online
For 1990-2009 cars only
Makes
🢒
Chevrolet
🢒
2007
🢒
Vivant
🢒 Ignition Controls-Sensors
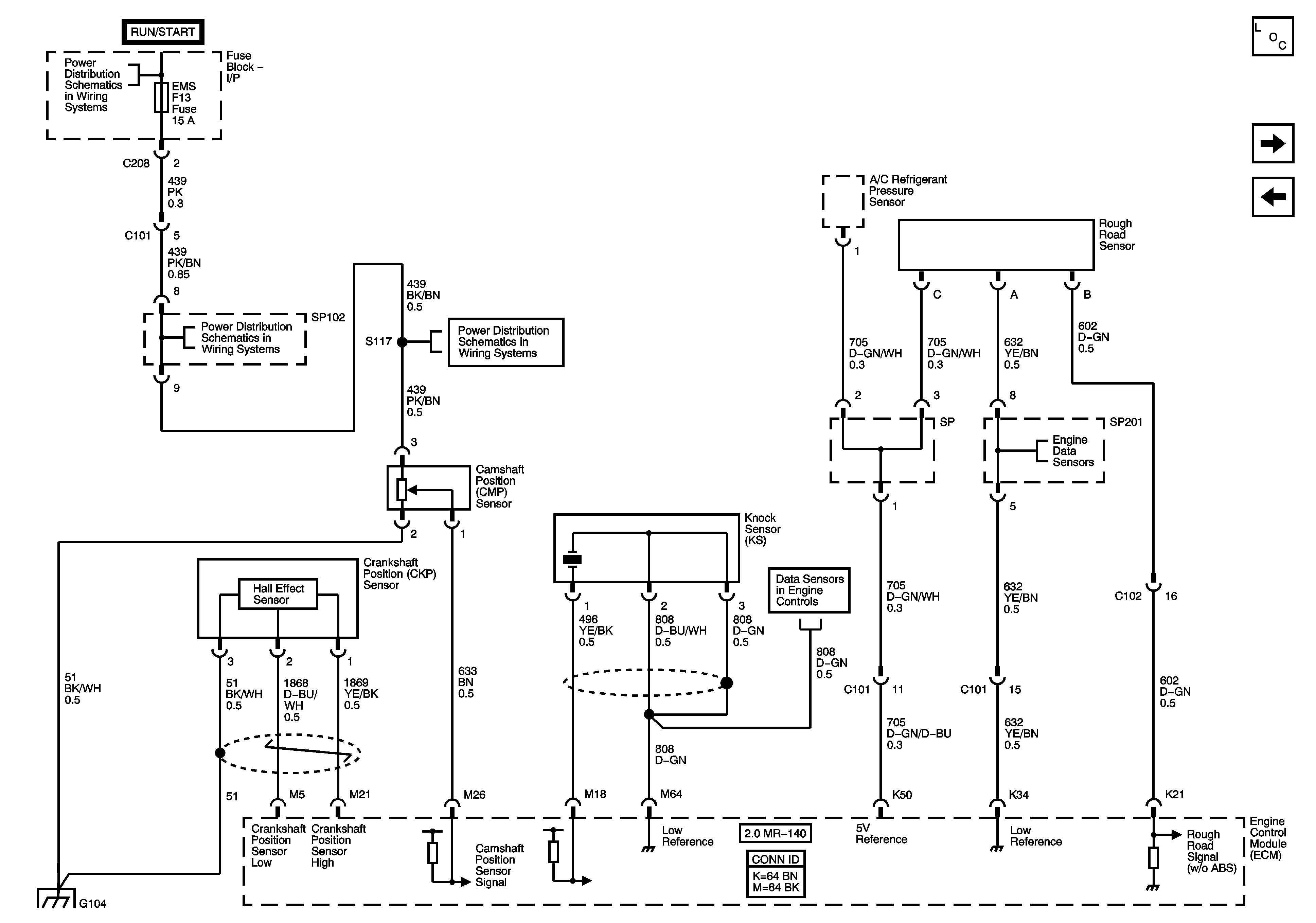
Ignition Controls-Sensors
Ignition Controls - Sensors
Master Electrical Component List
Fuel Controls-Fuel Pump Controls and Fuel Injectors
Ignition Controls, Ignition System
Engine Main and Fuel Pump Fuses (ITMS)
Engine Main and Fuel Pump Fuses (ITMS)
Engine Data Sensors