GM Service Manual Online
For 1990-2009 cars only
Makes
🢒
Chevrolet
🢒
2007
🢒
Vivant
🢒 Fuel Controls-Fuel Pump Controls and Fuel Injectors
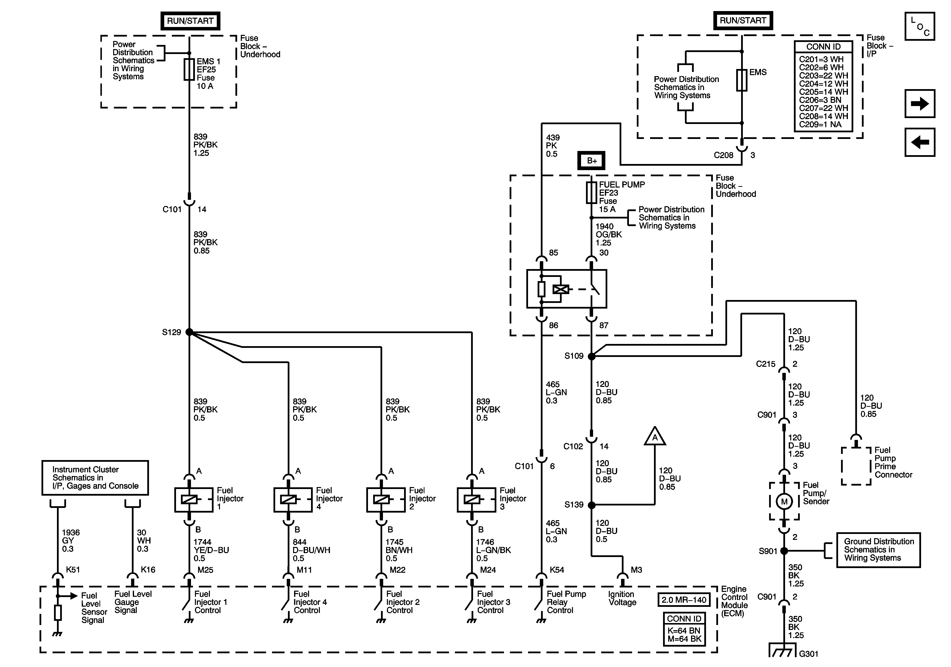
Fuel Controls-Fuel Pump Controls and Fuel Injectors
Fuel Controls - Fuel Pump Controls and Fuel Injectors
Master Electrical Component List
Fuel Controls-EVAP Controls and Device Controls
Ignition Controls-Sensors
Underhood Fuse Block-Battery Feeds
Engine Main and Fuel Pump Fuses (Sirius)
Engine Main and Fuel Pump Fuses (Sirius)
Cluster-ITMS-6F Odmeter, Speedometer, Tachometer, Temperature, Fuel, Fuel Warning Lamp, Illumination Lamp
G301