GM Service Manual Online
For 1990-2009 cars only
Makes
🢒
GMC_Truck
🢒
1998
🢒
Jimmy - 2WD
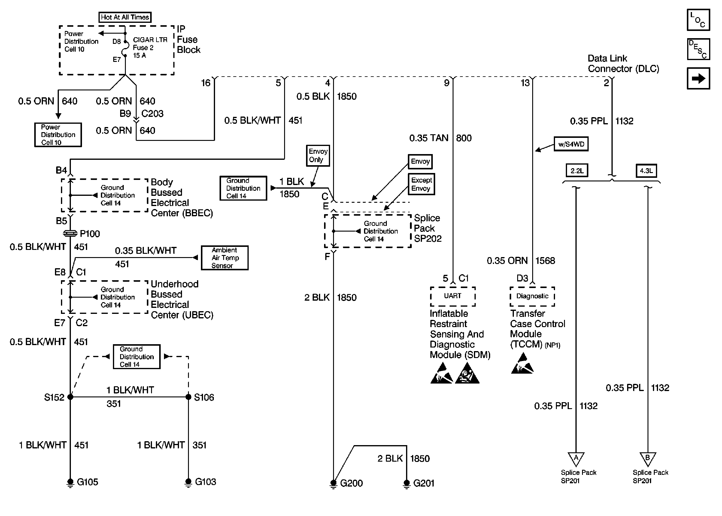
🢒 Cell 50: IP Fuse Block and DLC
Cell 50: IP Fuse Block and DLC
Cell 50: IP Fuse Block and DLC
Data Link Communications Components
Data Link Connector Circuit Description
Cell 50: Class 2 Communication (2.2L)
Cell 10: AUX PWR, RDO BATT, MIR/LKS, HDLP SW, AMPF, PWR LKS, CTSY LP, and CIGAR LTR Fuses
Cell 10: AUX PWR, RDO BATT, MIR/LKS, HDLP SW, AMPF, PWR LKS, CTSY LP, and CIGAR LTR Fuses
Cell 14: BBEC and UBEC (Pickup)
Cell 14: BBEC and UBEC (Pickup)
Cell 14: G103 and G105 (Pickup 2.2L)
Cell 14: G200 and G201 (Envoy)
Cell 68: HVAC Sensor, Solar Sensor, and Ambient Air Temperature Sensor
Cell 14: G200 and G201 (Pickup)
Cell 50: Class 2 Communication (2.2L)
Cell 50: Class 2 Communication (4.3L)
Handling ESD Sensitive Parts Notice
Handling ESD Sensitive Parts Notice
SIR Handling Caution
Handling ESD Sensitive Parts Notice