GM Service Manual Online
For 1990-2009 cars only
Makes
🢒
GMC_Truck
🢒
1998
🢒
Jimmy - 2WD
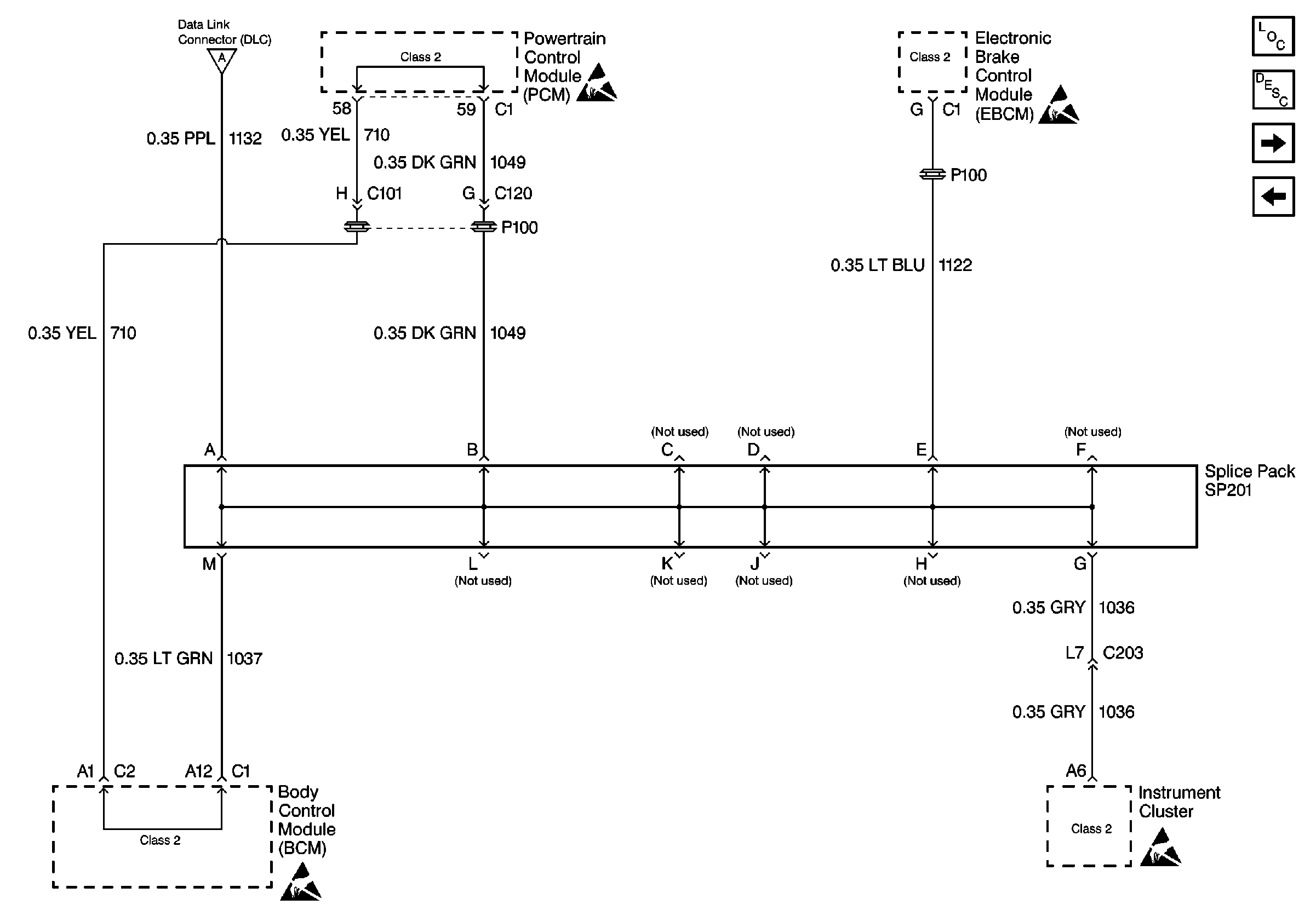
🢒 Cell 50: Class 2 Communication (2.2L)
Cell 50: Class 2 Communication (2.2L)
Cell 50: Class 2 Communication (2.2L)
Data Link Communications Components
Data Link Connector Circuit Description
Cell 50: Class 2 Communication (4.3L)
Cell 50: IP Fuse Block and DLC
Cell 50: IP Fuse Block and DLC
Handling ESD Sensitive Parts Notice
Handling ESD Sensitive Parts Notice
Handling ESD Sensitive Parts Notice
Handling ESD Sensitive Parts Notice