GM Service Manual Online
For 1990-2009 cars only
Makes
🢒
GMC_Truck
🢒
1998
🢒
Jimmy - 2WD
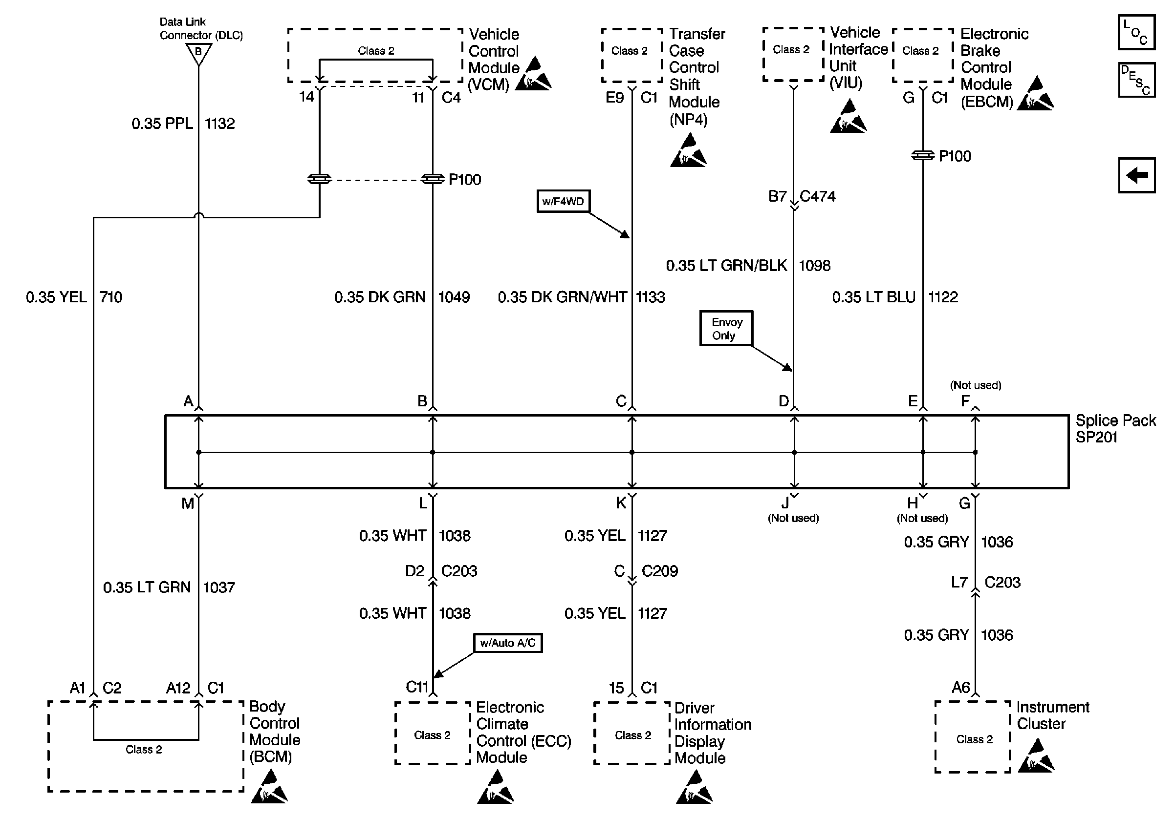
🢒 Cell 50: Class 2 Communication (4.3L)
Cell 50: Class 2 Communication (4.3L)
Cell 50: Class 2 Communication (4.3L)
Data Link Communications Components
Data Link Connector Circuit Description
Cell 50: Class 2 Communication (2.2L)
Cell 50: IP Fuse Block and DLC
Handling ESD Sensitive Parts Notice
Handling ESD Sensitive Parts Notice
Handling ESD Sensitive Parts Notice
Handling ESD Sensitive Parts Notice
Handling ESD Sensitive Parts Notice
Handling ESD Sensitive Parts Notice
Handling ESD Sensitive Parts Notice
Handling ESD Sensitive Parts Notice