GM Service Manual Online
For 1990-2009 cars only
Makes
🢒
Generic
🢒
2002
🢒
Unit Repair
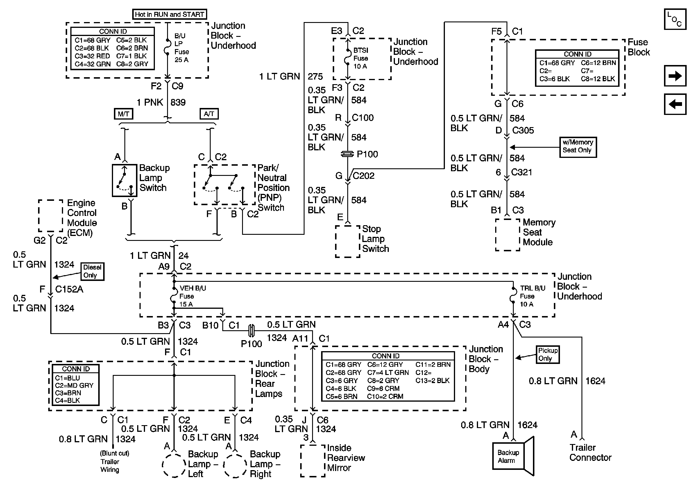
🢒 B/U LP, BTSI, VEH B/U, and TRL B/U Fuses
B/U LP, BTSI, VEH B/U, and TRL B/U Fuses
B/U LP, BTSI, VEH B/U, TRL B/U Fuses
Master Electrical Component List
HTD MIR, RR DEFOG Fuses, and RR DEFOG Relay
STOP, TURN, and HAZARD Bus Bars