GM Service Manual Online
For 1990-2009 cars only
Makes
🢒
Generic
🢒
2002
🢒
Unit Repair
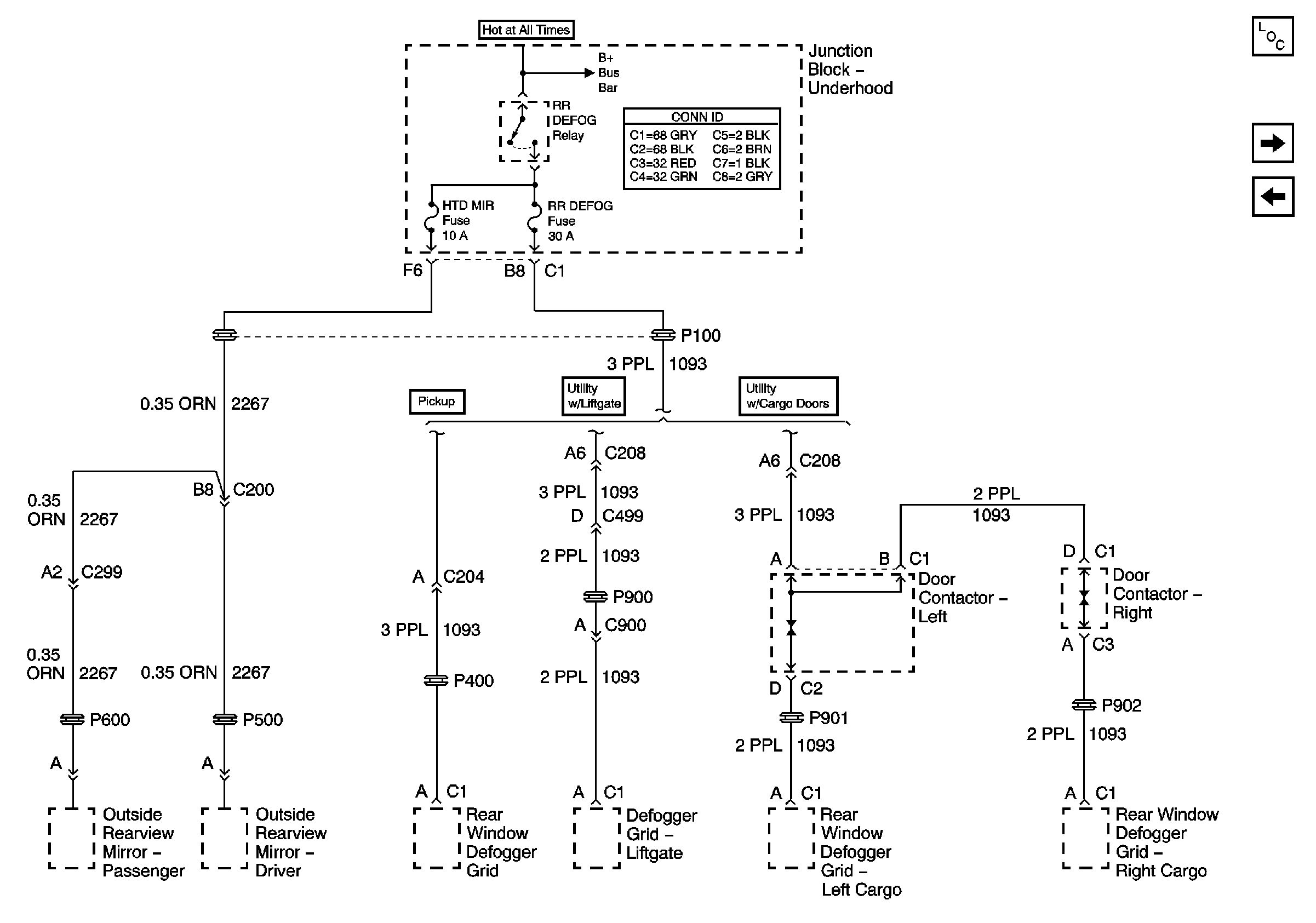
🢒 HTD MIR, RR DEFOG Fuses, and RR DEFOG Relay
HTD MIR, RR DEFOG Fuses, and RR DEFOG Relay
HTD MIR, RR DEFOG Fuses, and RR DEFOG Relay
Master Electrical Component List
ABS, HAZ LP, STUD 1, STUD 2, CTSY LP, and PARK LP Fuses
B/U LP, BTSI, VEH B/U, and TRL B/U Fuses
B+ Bus Bar