GM Service Manual Online
For 1990-2009 cars only
Makes
🢒
Generic
🢒
2002
🢒
Unit Repair
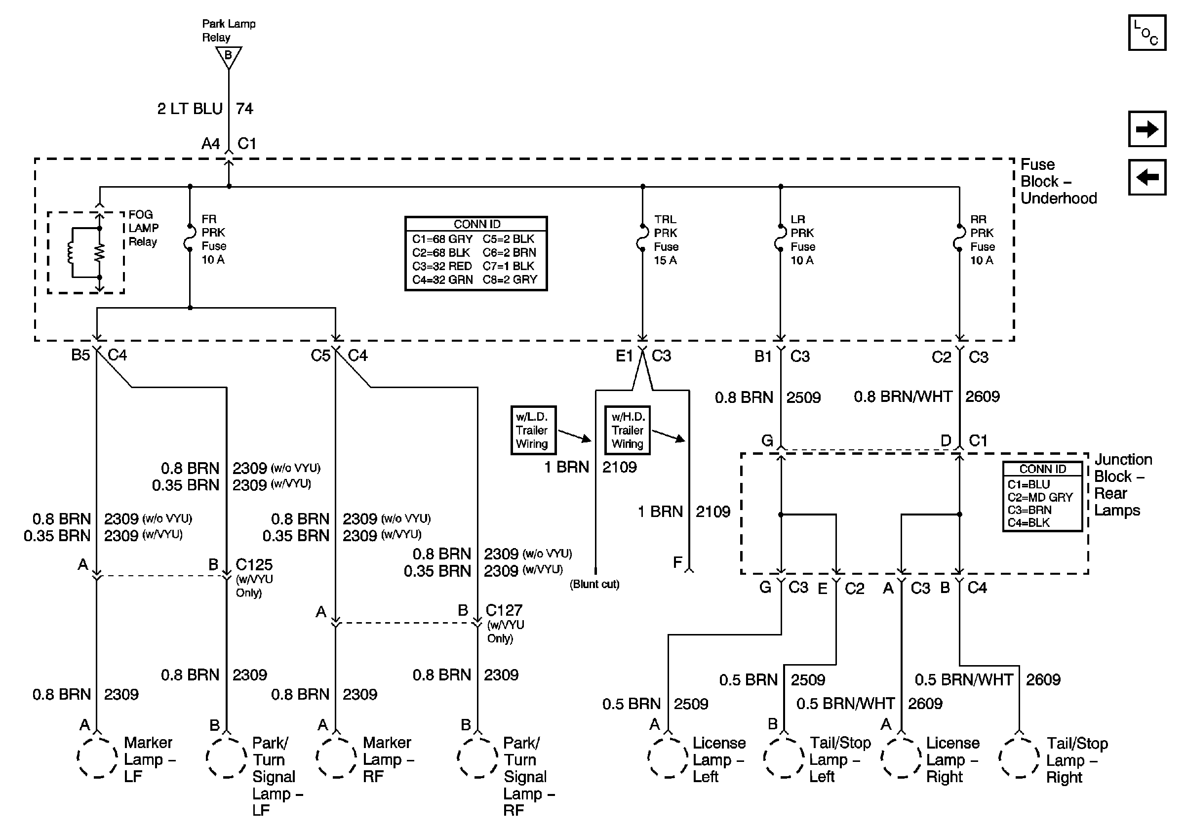
🢒 FR PRK, TRL PRK, LR PRK, RR PRK Fuses, and FOG LAMP Relay
FR PRK, TRL PRK, LR PRK, RR PRK Fuses, and FOG LAMP Relay
FR PRK, TRL PRK, LR PRK, RR PRK Fuses, and FOG LAMP Relay
Master Electrical Component List
INT PRK Fuse - 1 of 2
ABS, HAZ LP, STUD 1, STUD 2, CTSY LP, and PARK LP Fuses
ABS, HAZ LP, STUD 1, STUD 2, CTSY LP, and PARK LP Fuses