GM Service Manual Online
For 1990-2009 cars only
Makes
🢒
Generic
🢒
2003
🢒
Unit Repair
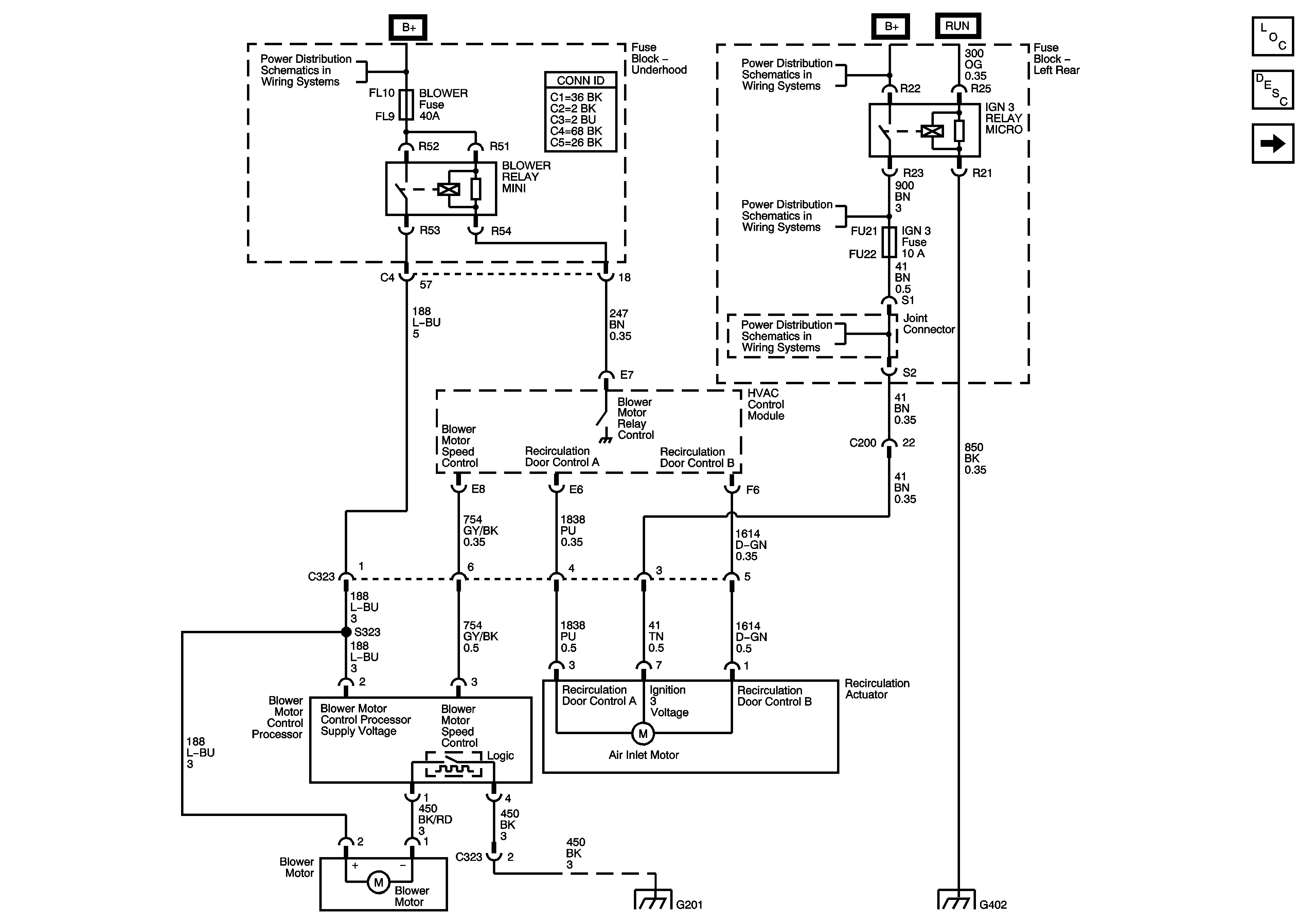
🢒 Blower Motor Controls
Blower Motor Controls
Blower Motor Controls
Master Electrical Component List
Air Delivery Description and Operation
A/C Compressor Controls - 2.6L/3.2L (LY9/LA3)
Underhood Fuse Block B+ Bus - 1 of 2
Left Rear Fuse Block B+ Bus
Left Rear Fuse Block IGN 3 Relay, L FRT HTD SEAT MOD, MEM/ADAPT SEAT, CCP, and HDLP LEVELING and IGN 3 Fuses
Left Rear Fuse Block IGN 3 Relay, L FRT HTD SEAT MOD, MEM/ADAPT SEAT, CCP, and HDLP LEVELING and IGN 3 Fuses
G201
G402 - 2 of 2