GM Service Manual Online
For 1990-2009 cars only
Makes
🢒
Generic
🢒
2003
🢒
Unit Repair
🢒 A/C Compressor Controls - 2.6L/3.2L (LY9/LA3)
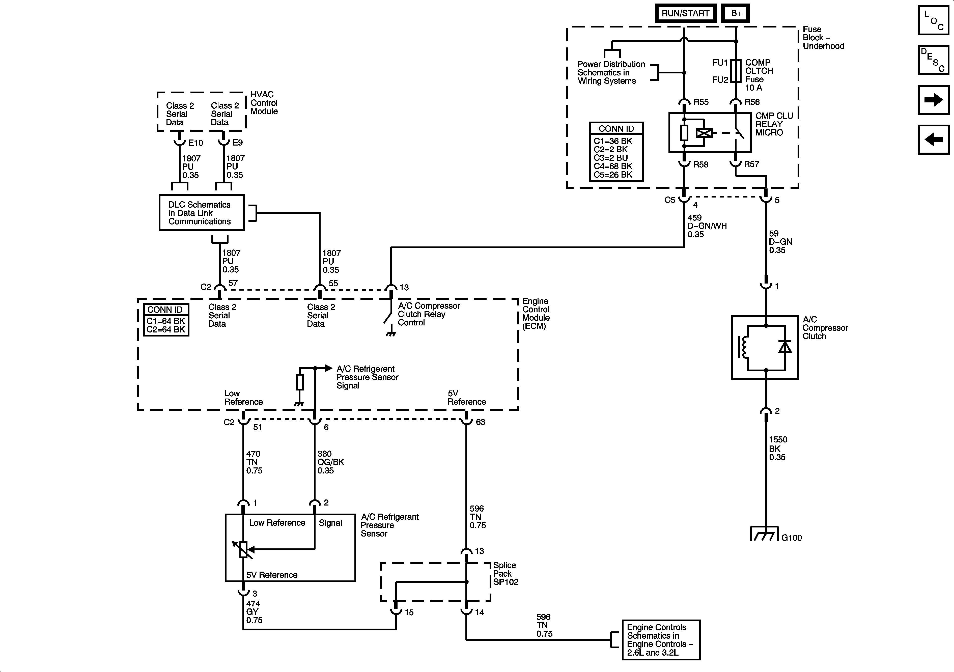
A/C Compressor Controls - 2.6L/3.2L (LY9/LA3)
A/C Compressor Controls - 2.6L/3.2L (LY9/LA3)
Master Electrical Component List
Air Temperature Description and Operation
A/C Compressor Controls - 3.6L (LY7)
Blower Motor Controls
Class 2 Serial Data Bus - LHD - 1 of 2
Underhood Fuse Block B+ Bus - 1 of 2
Engine Data Sensors - 5 Volt and Low Reference Buses
G100 and G107 - 2.6L/3.2L (LY9/LA3)