GM Service Manual Online
For 1990-2009 cars only
Makes
🢒
Generic
🢒
2003
🢒
Unit Repair
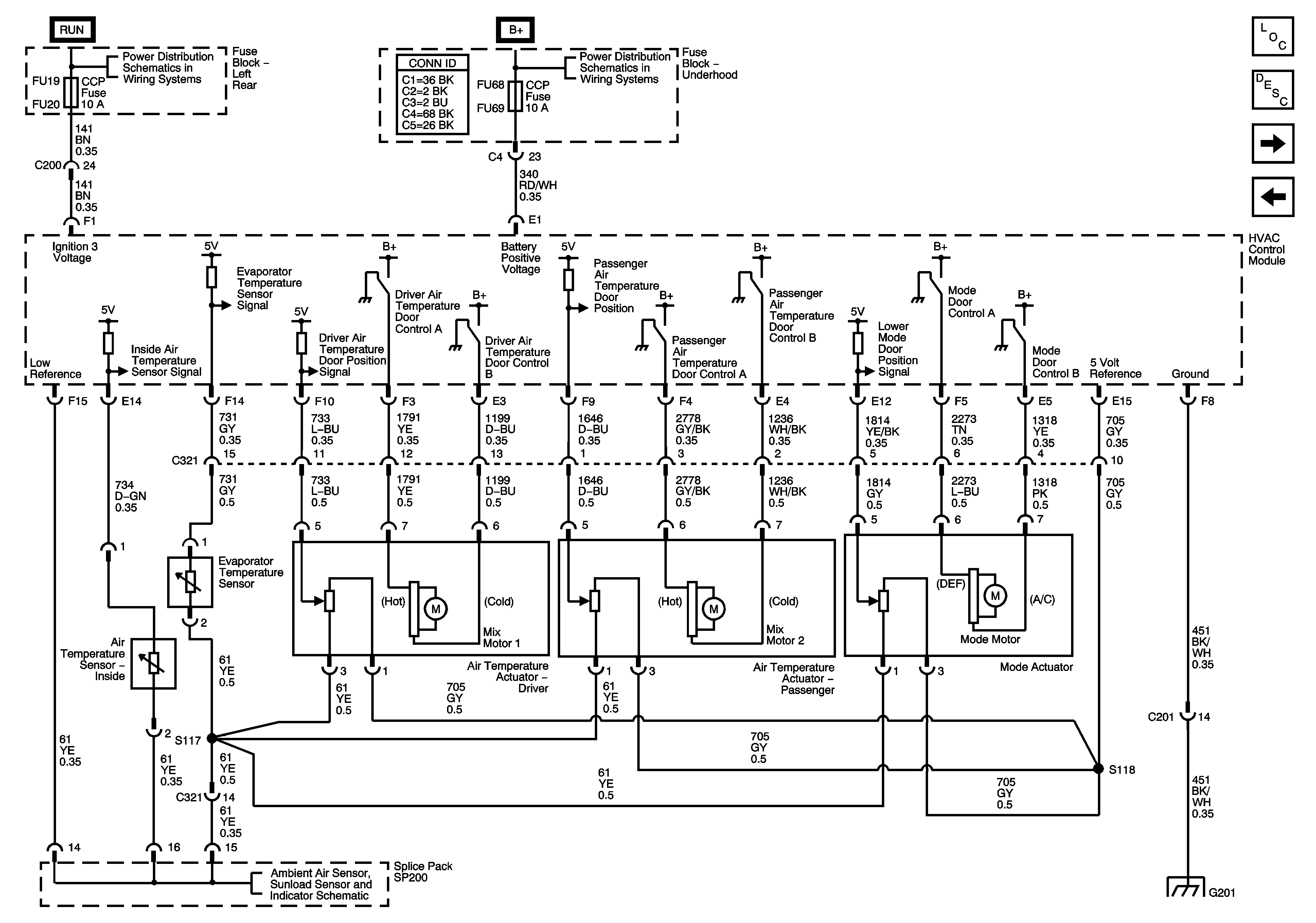
🢒 Air Delivery/Temperature Control Actuators - LHD
Air Delivery/Temperature Control Actuators - LHD
Air Delivery and Temperature Control Actuators - LHD
Master Electrical Component List
Air Temperature Description and Operation
Air Delivery/Temperature Control Actuators - RHD
A/C Compressor Controls - 5.7L (LS6)
Left Rear Fuse Block IGN 3 Relay, L FRT HTD SEAT MOD, MEM/ADAPT SEAT, CCP, and HDLP LEVELING and IGN 3 Fuses
Underhood Fuse Block DIM/ALDL, VOLT CHECK, FLASHER, CCP, ECM/TCM and ABS Fuses
Ambient Air Temperature Sensor, Sunload Sensor, Coolant Level Switch and DIC
G201