GM Service Manual Online
For 1990-2009 cars only
Makes
🢒
Generic
🢒
2003
🢒
Unit Repair
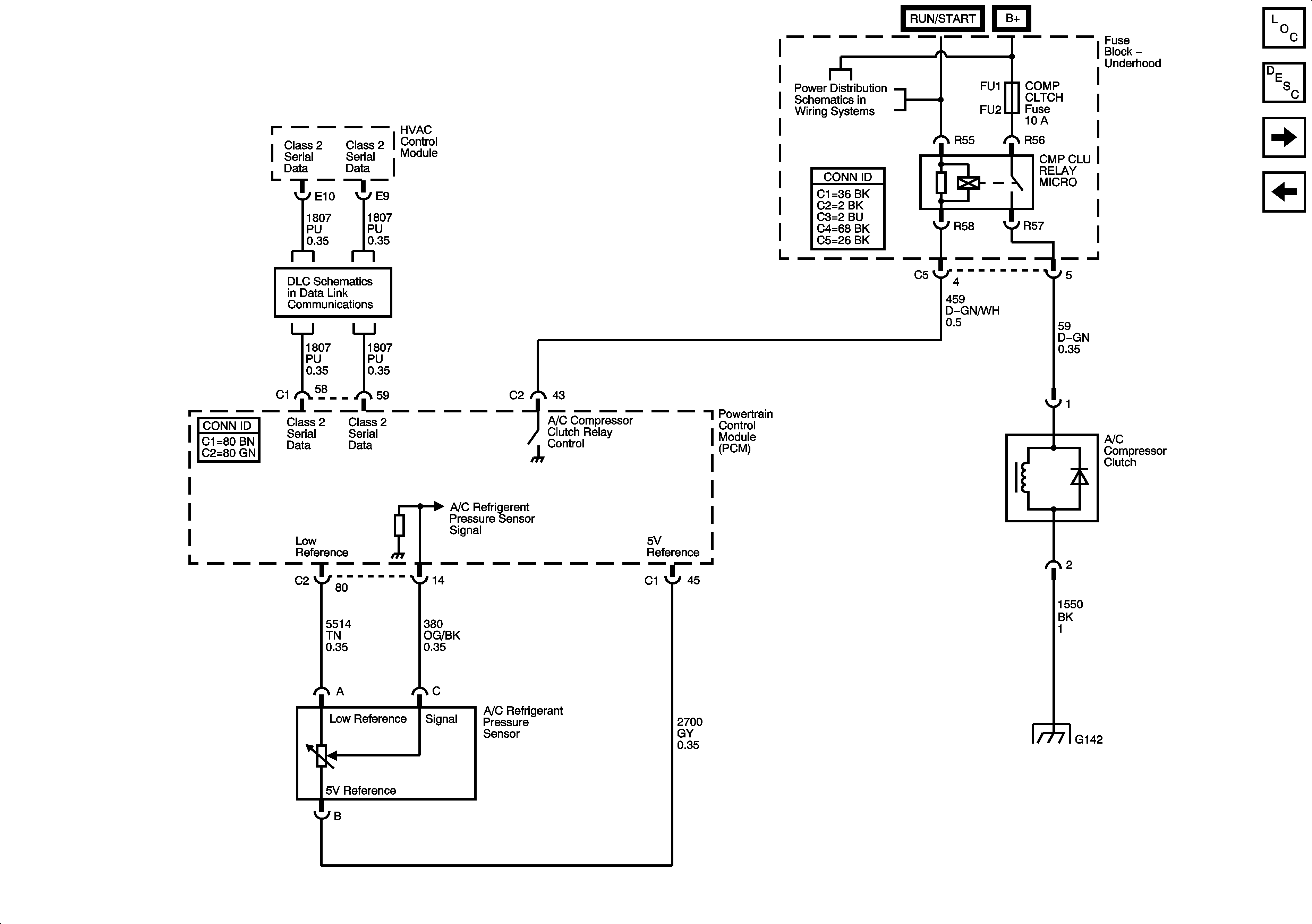
🢒 A/C Compressor Controls - 5.7L (LS6)
A/C Compressor Controls - 5.7L (LS6)
A/C Compressor Controls - 5.7L (LS6)
Master Electrical Component List
Air Temperature Description and Operation
Air Delivery/Temperature Control Actuators - LHD
A/C Compressor Controls - 3.6L (LY7)
Underhood Fuse Block B+ Bus - 1 of 2
Class 2 Serial Data Bus - LHD - 1 of 2
G140, G141 and G142 - 5.7L (LS6)