GM Service Manual Online
For 1990-2009 cars only
Makes
🢒
Generic
🢒
2003
🢒
Unit Repair
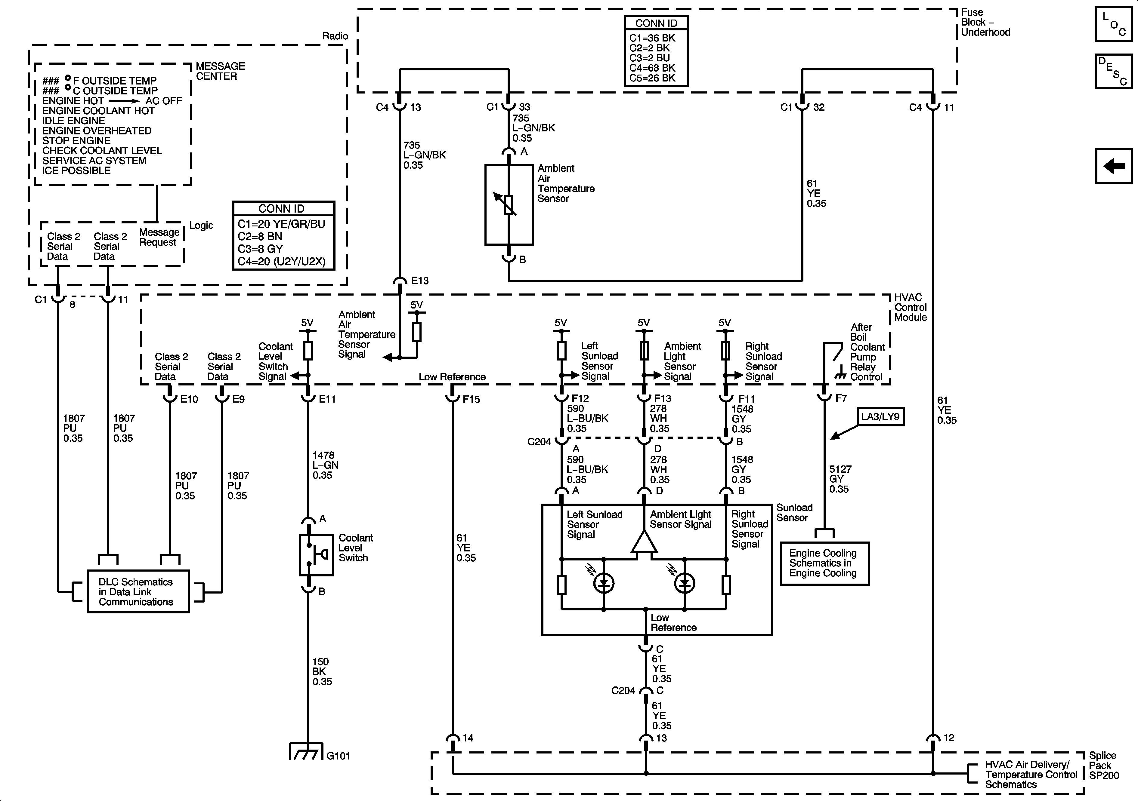
🢒 Ambient Air Temperature Sensor, Sunload Sensor, Coolant Level Switch and DIC
Ambient Air Temperature Sensor, Sunload Sensor, Coolant Level Switch and DIC
Ambient AirTemperature Sensor, Sunload Sensor, Coolant Level Switch and DIC
Master Electrical Component List
Air Temperature Description and Operation
Air Delivery/Temperature Control Actuators - RHD
Class 2 Serial Data Bus - LHD - 2 of 2
G101
Coolant By-Pass Solenoid, Afterboil Coolant Pump, Coolant Level Switch and Indicators
Air Delivery/Temperature Control Actuators - LHD