GM Service Manual Online
For 1990-2009 cars only
Makes
🢒
Generic
🢒
2003
🢒
Unit Repair
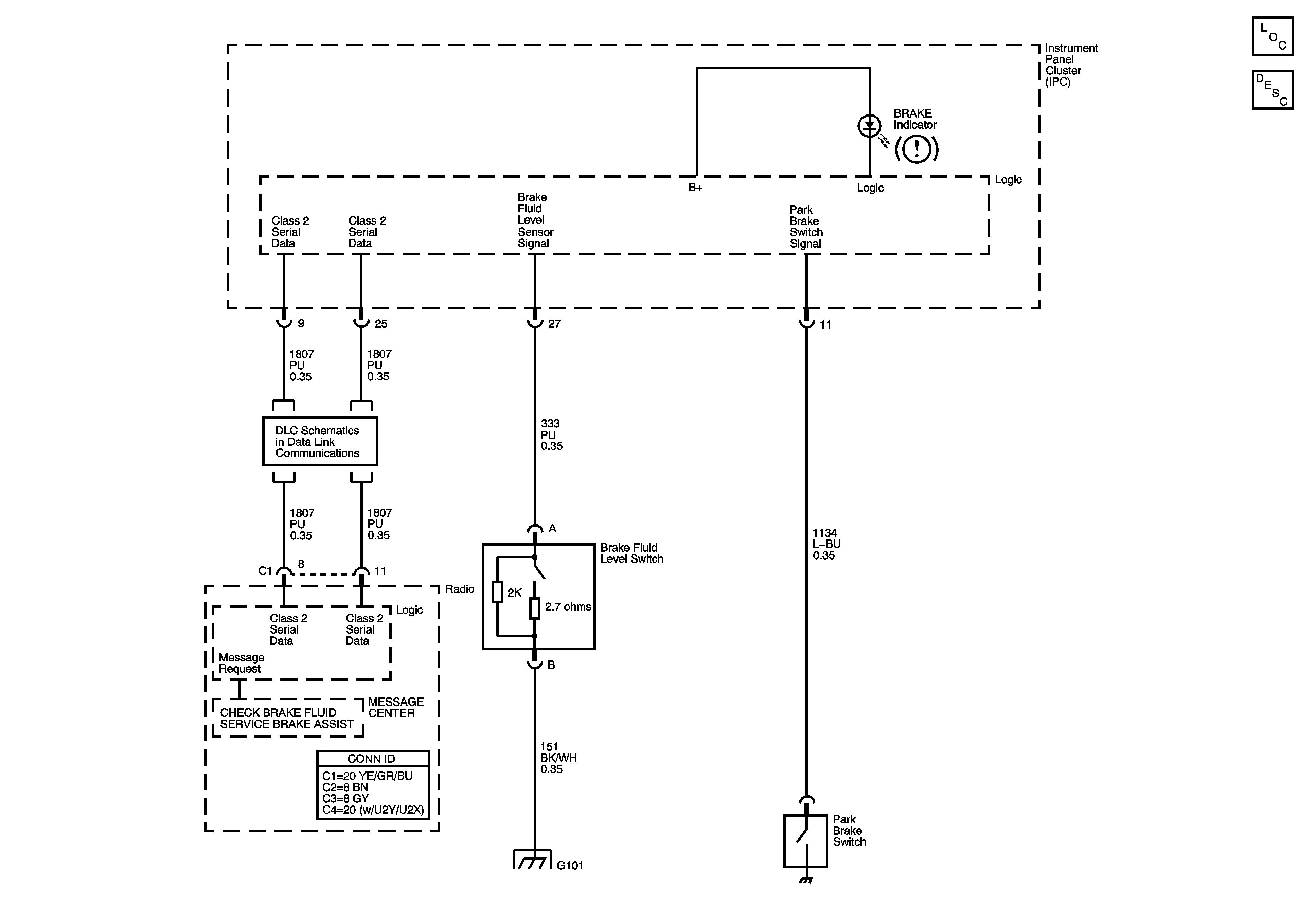
🢒 Brake Fluid Level Switch, Park Brake Switch, DIC and Indicator
Brake Fluid Level Switch, Park Brake Switch, DIC and Indicator
Master Electrical Component List
Brake Warning System Description and Operation
Class 2 Serial Data Bus - LHD - 1 of 2
G101