GM Service Manual Online
For 1990-2009 cars only
Makes
🢒
Generic
🢒
2003
🢒
Unit Repair
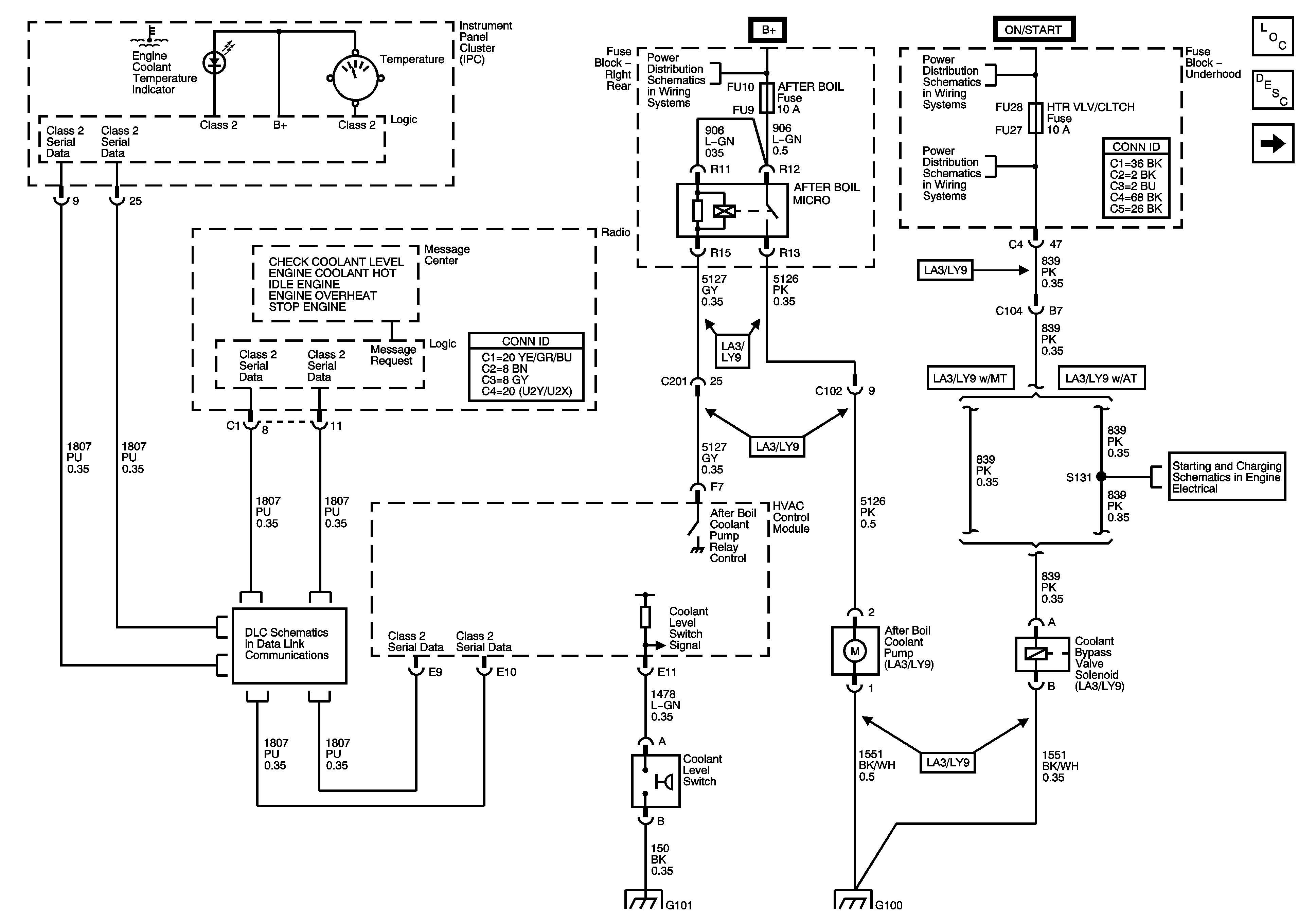
🢒 Coolant By-Pass Solenoid, Afterboil Coolant Pump, Coolant Level Switch and Indicators
Coolant By-Pass Solenoid, Afterboil Coolant Pump, Coolant Level Switch and Indicators
Coolant Bypass Solenoid, Afterboil Coolant Pump, Coolant Level Switch and Indicators
Master Electrical Component List
Cooling System Description and Operation
Cooling Fans - Domestic and Japan - 2.6L/3.2L (LY9/LA3)
Underhood Fuse Block B+ Bus - 2 of 2
Right Rear Fuse Block B+ Bus
Underhood Fuse Block STARTER and IGN 1 Relays, HTR VLV/CLTCH and TCM/IPC Fuses
Starting System - 2.6L/3.2L/3.6L (LY9/LA3/LY7)
Class 2 Serial Data Bus - LHD - 2 of 2
G101
G100 and G107 - 2.6L/3.2L (LY9/LA3)