GM Service Manual Online
For 1990-2009 cars only
Makes
🢒
Generic
🢒
2003
🢒
Unit Repair
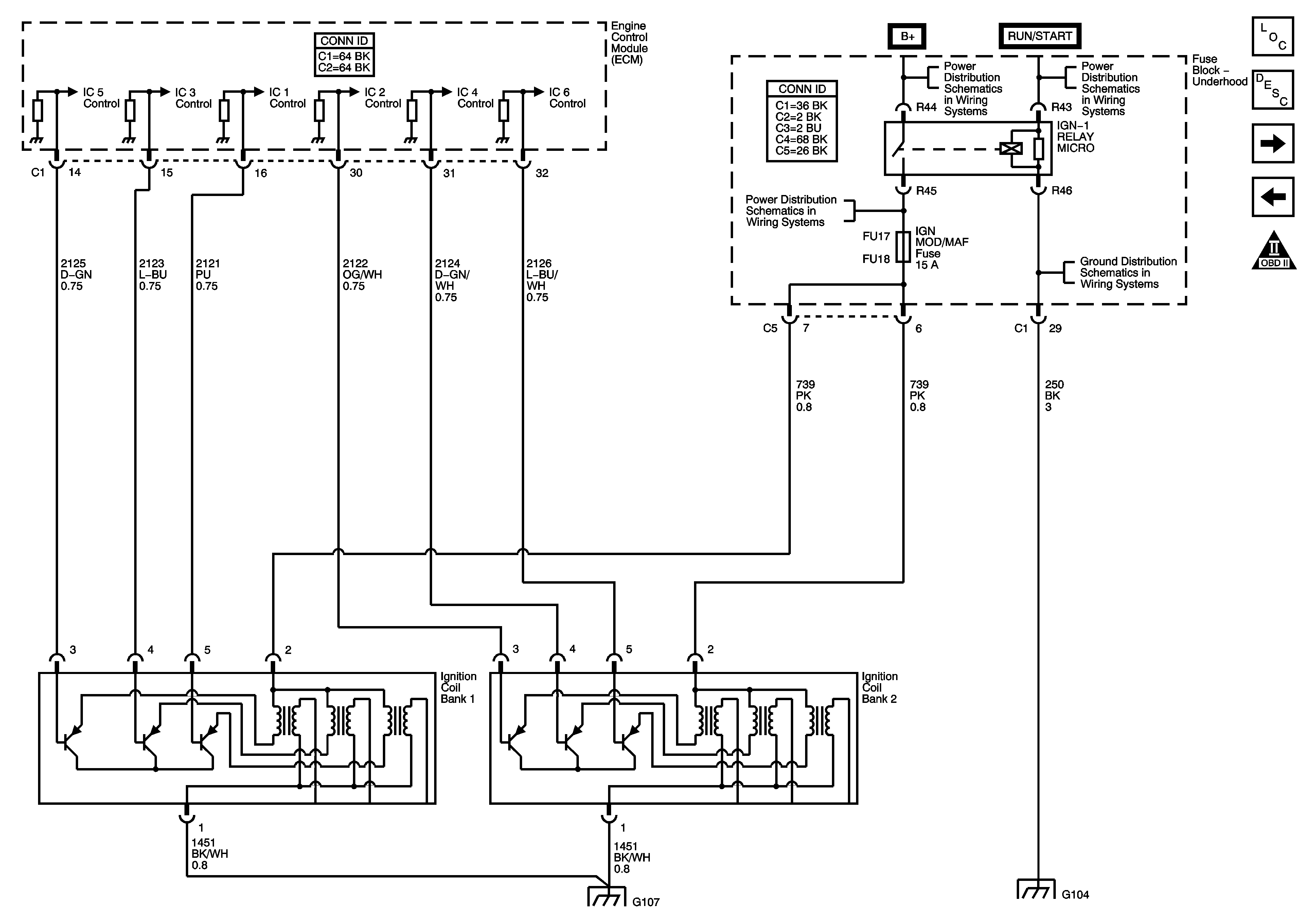
🢒 Ignition Controls - Ignition Coils
Ignition Controls - Ignition Coils
Ignition Controls - Ignition Coils
Master Electrical Component List
Electronic Ignition (EI) System Description
Fuel Controls - Fuel Injectors and Fuel Pump/Sender Assembly
Ignition Controls - Knock, CKP and CMP Sensors
OBD II Symbol Description Notice
Underhood Fuse Block B+ Bus - 2 of 2
Ignition Switch - 2 of 2
Underhood Fuse Block WASH NOZ, STRG CTLS and IGN MOD/MAF Fuses
G104 - 1 of 2
G100 and G107 - 2.6L/3.2L (LY9/LA3)
G104 - 1 of 2