GM Service Manual Online
For 1990-2009 cars only
Makes
🢒
Generic
🢒
2003
🢒
Unit Repair
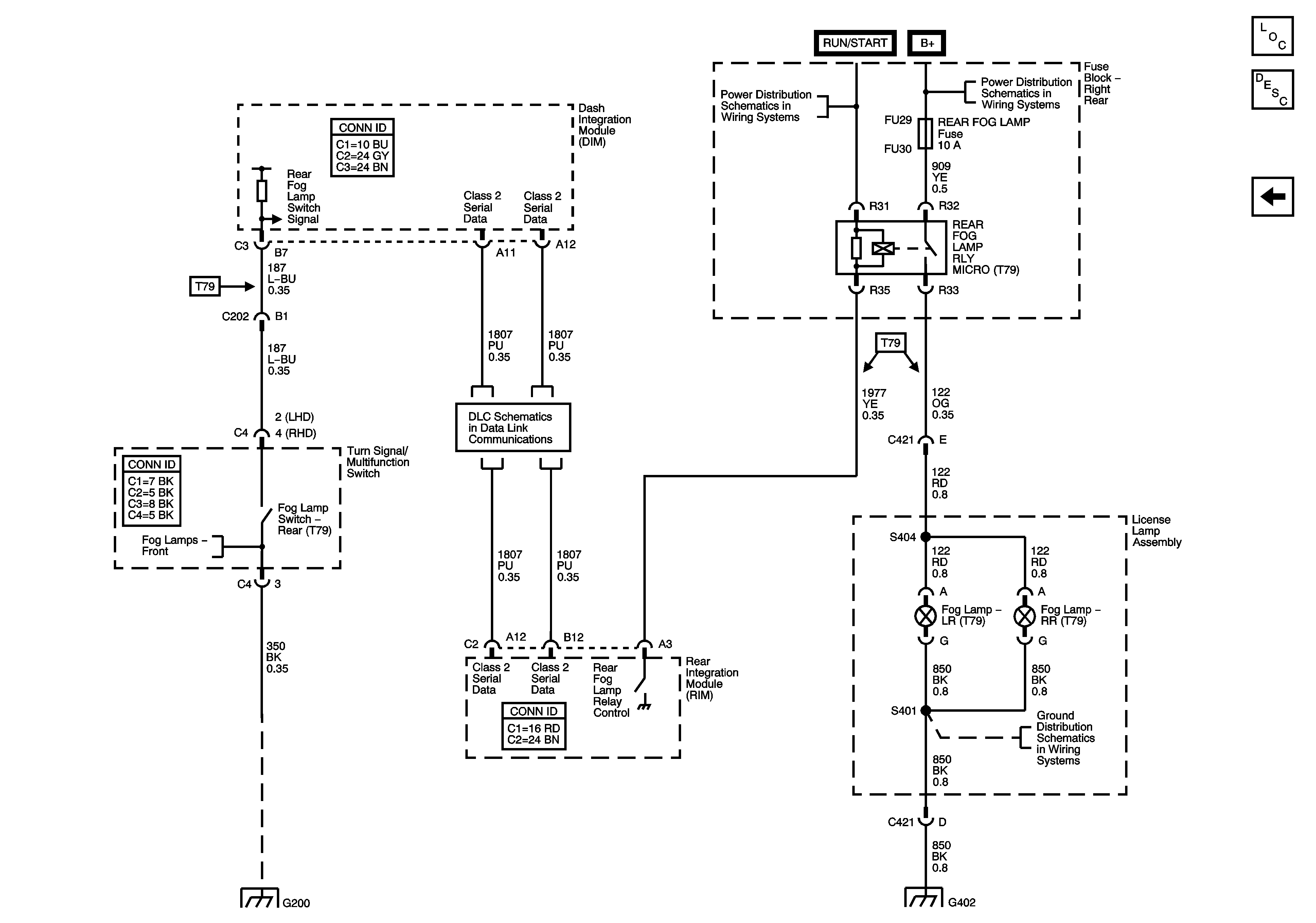
🢒 Fog Lamps - Rear (Export w/T79)
Fog Lamps - Rear (Export w/T79)
Fog Lamps-Rear (Export w/T79)
Master Electrical Component List
Exterior Lighting Systems Description and Operation
Fog Lamps - Front
Ignition Switch - 2 of 2
Right Rear Fuse Block B+ Bus
Class 2 Serial Data Bus - LHD - 2 of 2
Fog Lamps - Front
G402 - 2 of 2
G200
G402 - 2 of 2