GM Service Manual Online
For 1990-2009 cars only
Makes
🢒
Generic
🢒
2003
🢒
Unit Repair
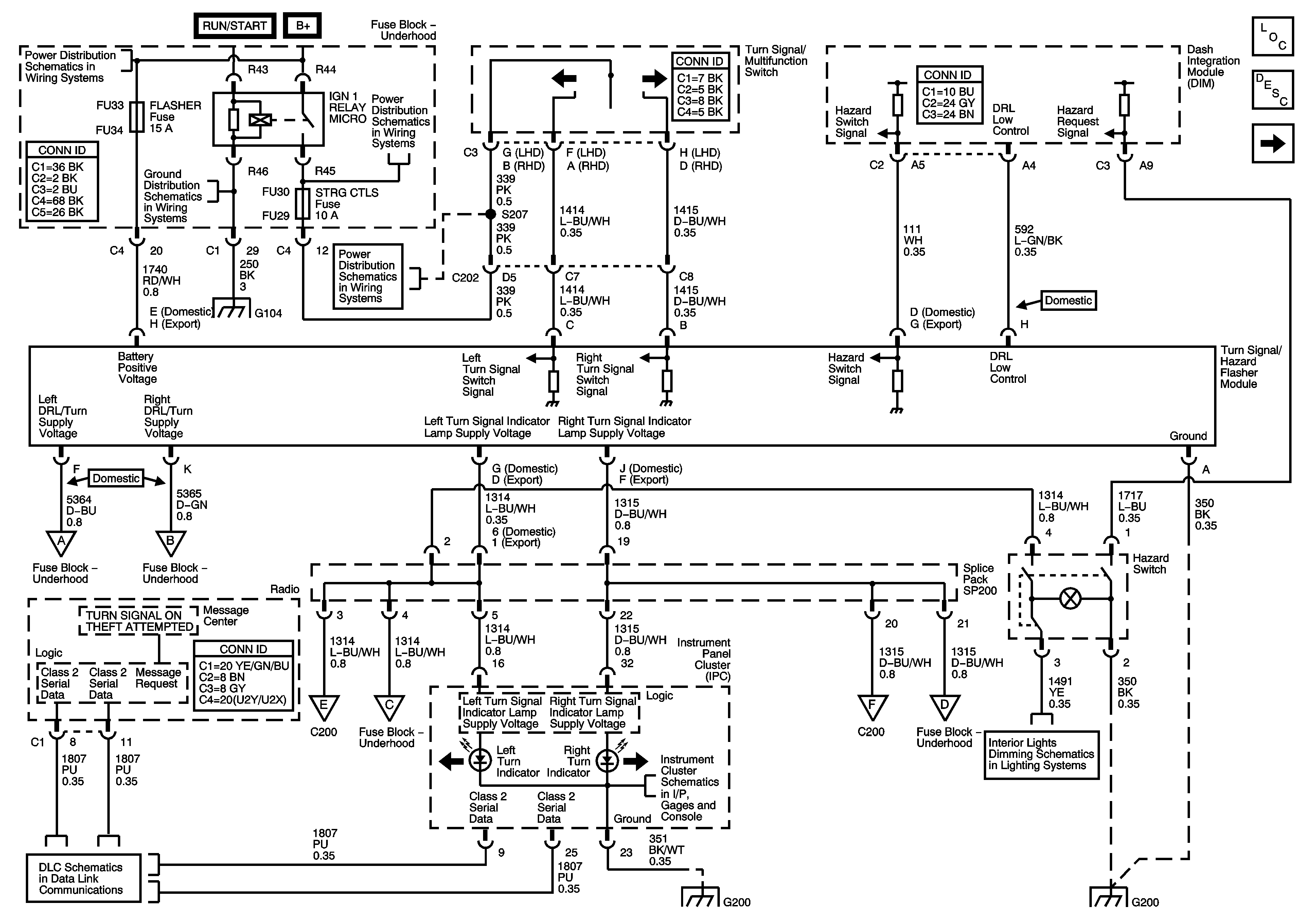
🢒 Turn Signal/Hazard Flasher Module (Domestic and Export)
Turn Signal/Hazard Flasher Module (Domestic and Export)
Turn Signal/Hazard Flasher Module
Master Electrical Component List
Exterior Lighting Systems Description and Operation
Turn Signal Lamps (Domestic and Export) and Repeater Lamps (Export w/T90)
Underhood Fuse Block B+ Bus - 2 of 2
G104 - 1 of 2
Underhood Fuse Block B+ Bus - 2 of 2
G104 - 1 of 2
Underhood Fuse Block WASH NOZ, STRG CTLS and IGN MOD/MAF Fuses
Turn Signal Lamps (Domestic and Export) and Repeater Lamps (Export w/T90)
Turn Signal Lamps (Domestic and Export) and Repeater Lamps (Export w/T90)
Turn Signal Lamps (Domestic and Export) and Repeater Lamps (Export w/T90)
Turn Signal Lamps (Domestic and Export) and Repeater Lamps (Export w/T90)
Indicators
Turn Signal Lamps (Domestic and Export) and Repeater Lamps (Export w/T90)
Turn Signal Lamps (Domestic and Export) and Repeater Lamps (Export w/T90)
Power, Ground, and Serial Data - 1 of 2
Class 2 Serial Data Bus - LHD - 1 of 2
G200
G200