GM Service Manual Online
For 1990-2009 cars only
Makes
🢒
Generic
🢒
2003
🢒
Unit Repair
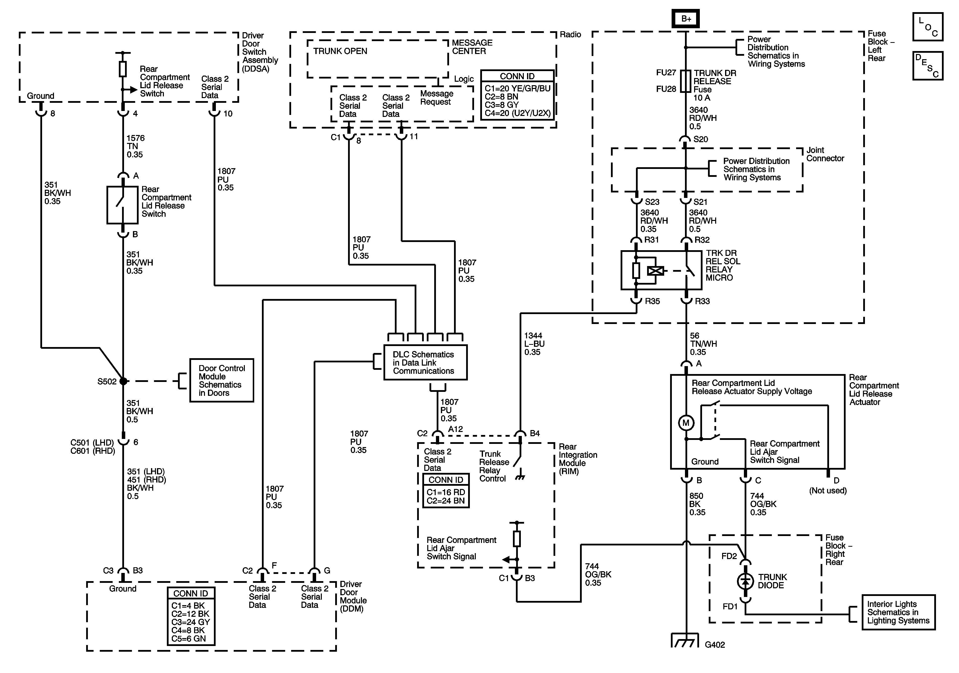
🢒 Rear Compartment Lid Release Switch
Rear Compartment Lid Release Switch
Master Electrical Component List
Luggage Compartment Description and Operation
Left Rear Fuse Block B+ Bus
Left Rear Fuse Block SEAT Circuit Breaker, TRUNK Fuse/Relay, AMP, AUDIO, DRIVER DR MOD and REAR DR MOD Fuses
Driver Door Module (DDM) Power, Ground, and Serial Data
Class 2 Serial Data Bus - LHD - 1 of 2
G104 - 1 of 2
Courtesy Lamps