GM Service Manual Online
For 1990-2009 cars only
Makes
🢒
Generic
🢒
2003
🢒
Unit Repair
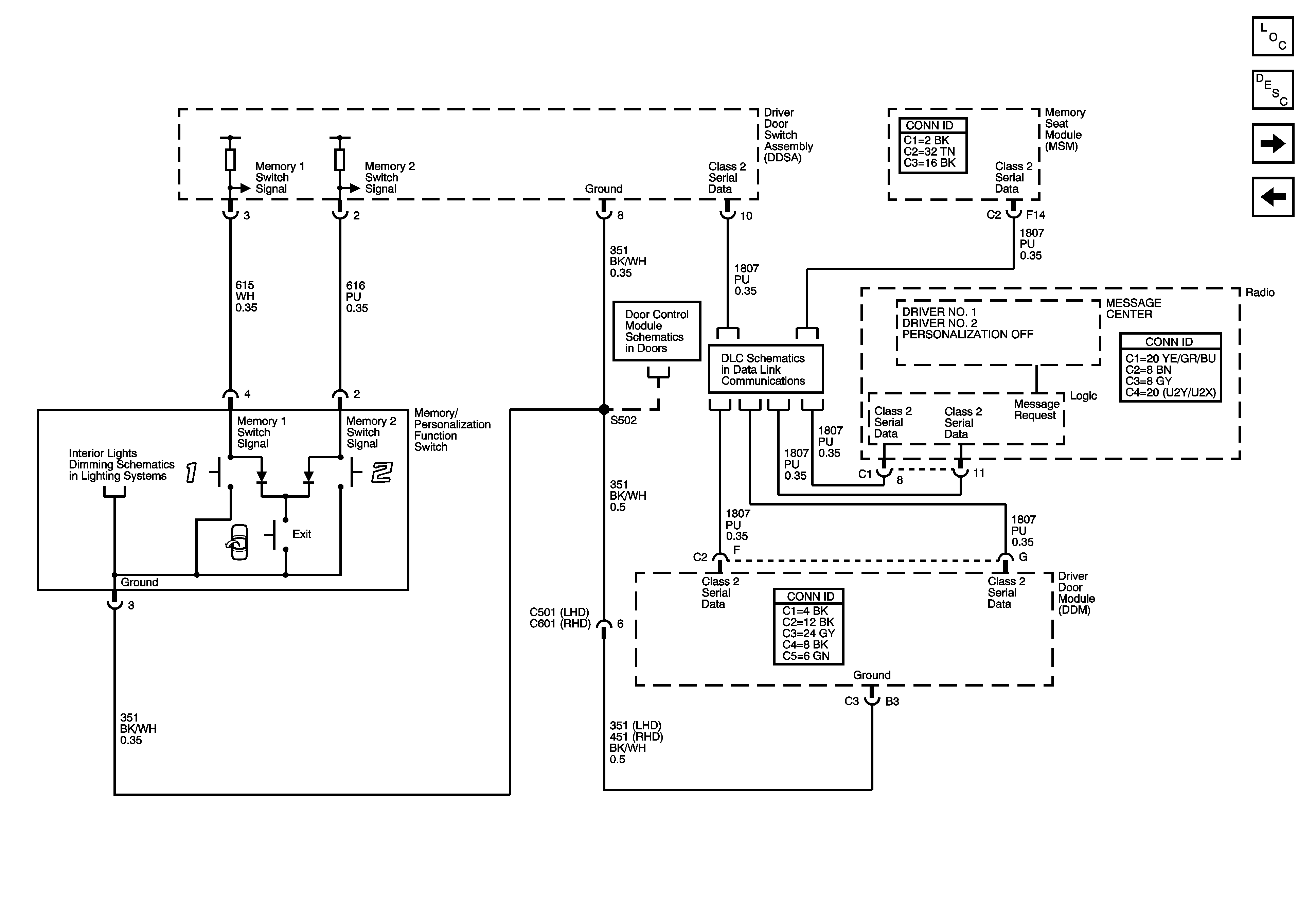
🢒 Memory/Personalization Function Switch (A45)
Memory/Personalization Function Switch (A45)
Memory/Personalization Function Switch (A45)
Master Electrical Component List
Memory Seats Description and Operation
Memory Seat Position Sensors and Motors (A45)
Memory Seat Module (MSM) Power, Ground and Driver Seat Adjuster Switch (A45)
Power, Ground, and Serial Data - 2 of 2
Driver Door Module (DDM) Power, Ground, and Serial Data
Class 2 Serial Data Bus - LHD - 1 of 2